※2019年2月26日追記※
【目標金額達成の御礼】
プロジェクトオーナーの宇理須(うりす)です。
昨日、おかげさまで目標としていた金額200万円を達成することができました。本当にありがとうございます。皆さまお一人お一人のおかげです。これで細胞の解析装置のプロトタイプを形にすることができそうです。
しかし、この先、まだまだ研究費が必要です。次のステップである、iPS細胞技術による疾患モデルの開発、実用機の解析装置の開発などをスタートし、神経難病の原因解明実験に一日もはやく着手したいと考えています。そうなると、より多くの研究員も必要とします。
せっかくいただいたこの機会を最大限活用するため、目標金額を上げ、まずは300万円を目指して取り組みたいと存じます。
お願いばかりで恐縮ですが、ひきつづき本プロジェクトの周知のご支援のほどお願い申し上げます。
宇理須恒雄
▼はじめに
はじめまして。
名古屋大学で客員教授・研究員をしております、宇理須(うりす)恒雄と申します。
この度は私の研究に興味を持っていただき、誠にありがとうございます。あなたにぜひお力を貸していただきたく、このプロジェクトを立ち上げました。
Hello. I'm Tsuneo Urisu, and I’m working as a visiting professor and researcher at Nagoya University. Thank you very much for your interest in my research. I started this project because I need your help.
プロジェクトの目的は、「ALS発症のメカニズムを解明する、細胞活動の解析装置をつくる」ための資金を集めることです。この装置が完成した暁には、ALS治療のための新薬の開発や治療方法の確立が飛躍的に進むと考えられます。なぜ、その装置が必要なのか。その装置が完成するとどうなるのか。そして、なぜ、その装置を私が開発するに至ったのか。やや専門的な話になり恐縮ですが、ご一読いただけますと幸いです。
The purpose of this project is to gather funds to create an analyzer for cellular activities that will reveal the mechanism behind the onset of ALS. As soon as this device is completed, the development of new drugs for treating ALS and new treatment methods will be able to advance dramatically. Why is this device necessary? What will happen when the device is completed? And why did I choose to develop this device? I am afraid that the explanation will get somewhat technical, but I would be grateful if you are willing to read it.
<プロフィール Profile>
宇理須 恒雄 Tsuneo Urisu
1973年東京大学理学系大学院化学科修了・理学博士。日本電信電話公社武蔵野電気通信研究所研究員。1983年日本電信電話(株)LSI研究所研究員・グループリーダー。1992年自然科学研究機構分子科学研究所教授。2011年名古屋大学革新ナノバイオデバイス研究センター特任教授。2015年名古屋大学グリーンモビリティ連携研究センター客員教授。2016年名古屋大学未来社会創造機構客員教授。現在に至る。
Completed PhD at the Department of Chemistry, School of Science, University of Tokyo in 1973. Became a researcher at the Musashino Electrical Communication Laboratory, Nippon Telephone and Telegraph Corporation (NTT) the same year. In 1983, became researcher/group leader for NTT LSI Laboratory. In 1992, became professor at Institute for Molecular Science, National Institute for Natural Sciences. In 2011, became professor at Nagoya University Innovative Nanobiodevice Research Center. In 2015, became visiting professor at Nagoya University Green Mobility Collaborative Research Center. In 2016, became visiting professor at Nagoya University Innovative Research Center for Future Society, a position held to the present.
※研究分野、実績、特許などの詳細は文末に記載しております。
*Details of research areas, achievements, patents, etc. are stated at the end of this text.
▼なぜ、私がこの研究をするに至ったか
What lead me to this research?
幼い頃から興味を持つとトコトンのめり込む性質だった私は、22歳のときに研究者を志します。以来、約50年。研究者生活を振り返ると、量子力学、相対性理論、レーザーの開発、光検出器の開発、表面科学の基礎研究、さらには病気(神経変性疾患)の研究と、多くの研究者がある特定の分野を追究するなかで、思いもかけず非常に広範な学問分野を渡り歩いてまいりました。
When I was 22 years old, I decided to become a researcher because I was interested in deeply examining the unknown. Looking back on my fifty-year career as a researcher, I have studied quantum mechanics, relativistic theory, laser development, photodetector development, the fundamentals of surface science, and diseases (namely, neurodegenerative diseases). Although many researchers usually pursue one or several specific fields, I have unexpectedly moved across a very wide range of academic disciplines.
転機となったのは2011年。親しくしていた方がALSに罹患。その原因解明と治療法開発の研究を懇願されたことを機に、私はこの研究を開始いたしました。しかし、残念ながら、その方は成果をご報告するまえに亡くなられてしまいました。彼の遺志を実現するためにも、このプロジェクトを成功させ、装置の開発、そして発症原因の解明を急ぎたいと思います。ご遺族の方々にもお会いしましたが、その深い悲しみに触れ、こんな思いをする方を一人でも減らしたいと研究への想いを強くしました。
My turning point was in 2011. Someone close to me came down with ALS. I began this work on his request that I research the cause of the disease and the development of its treatment. However, that person unfortunately passed away before I could report the outcome of my work. In order to fulfill his wishes, I want to make this project successful, develop equipment, and find the cause of the disease’s onset. I have also met with his bereaved family members; having seen their deep sorrow for myself, I strongly felt the need to complete this research in order to prevent any more people from having to experience such pain.
ALSの原因解明の研究には、私の50年の研究経験がすべて役立っており、なにか運命のようなものを感じます。この研究をするために、これまでの広範な分野での研究があったように思うのです。また、さまざまな分野の第一人者や権威と呼ばれる多くの方々との出会いにも恵まれています。この出会いとご協力に感謝し、研究室のメンバーとともに全力で現在の課題に取り組む所存です。
For my research on the cause of ALS, my 50 years of research experience is all helpful, and I feel something akin to destiny. I feel that I have done research in such a wide range of fields up until now all to lead me to this research. In addition, I have been blessed with encounters with leading scholars in various fields and many people known as authorities. I am grateful for these encounters and these people’s cooperation, and I and the members of my laboratory are ready to conduct this research with all our strength.
▼10万人に1人が発症する「ALS」
ALS, developed by 1 in 100,000 people

「バケツに入った氷水を頭からかぶるか、寄付するか」。2014年、そんなルールでアメリカ合衆国で始まった運動をご存知の方も多いのではないでしょうか。そう。「アイス・バケツ・チャレンジ」ですね。各界の著名人や政治家が頭から氷水をかぶる動画をSNSを通じて投稿したことで他国へも広がり、世界中で社会現象となった運動です。その運動の目的こそ、ALSの認知向上や研究のための寄付を募ることでした。
“Will you pour a bucket of ice water over your head or make a donation?” There are many people who know the movement that started in the United States in 2014 with such a rule. That’s right—the Ice Bucket Challenge. Celebrities and politicians of various fields posted videos of themselves pouring ice water on their heads on social media. This challenge spread to other countries and became a social phenomenon all over the world. The purpose of the movement was to raise awareness of ALS and to raise money for its research.
あらためてご説明すると、ALS(Amyotrophic Lateral Sclerosis /筋萎縮性側索硬化症)とは、脳や末梢神経からの命令を筋肉に伝える「運動ニューロン(運動神経細胞)」が侵される、難病のひとつに指定されている病気です。発症すると全身の筋力が低下し、歩くことも話すこともままならなくなり、呼吸に必要な神経も障害され、発症から3〜5年で自力での呼吸が困難となるため、人工呼吸器による補助が必要となります。しかし、知覚神経や自律神経は侵されないため、五感や記憶、知性を司る神経は正常のまま。つまり、意識や感覚がはっきりしているにも関わらず、顔にとまった虫を手ではらうこともできなければ、大切な人を抱きしめることもできないのです。10万人に1人が発症すると言われ、現在、日本には約8300人前後、世界には約12万人の患者さんがいますが、いまだ治療法は見つかっていません。
Amyotrophic lateral sclerosis, or ALS, is a disease in which motor neurons that convey commands from the brain and peripheral nerves to muscles are invaded. It is one of the diseases designated in Japan as an intractable disease. When one develops ALS, the muscular strength of the whole body declines, and the ability to walk and talk at will are lost. The nerves necessary for breathing are also impaired, and it becomes impossible to breathe by oneself in three to five years of onset, making assistance with a ventilator necessary. However, sensory and autonomic nerves are not affected, so the senses, memories, and nerves that control intelligence remain normal. In other words, even though the consciousness and feelings of people with ALS are clear, they cannot hug those important to them or bat away insects that land on their face with their own hands. It is said that 1 in every 100,000 people will develop ALS. Currently, there are about 8,300 patients in Japan and about 120,000 patients worldwide, but no treatment has yet been found.
▼発症のメカニズム解明に必要な2つのもの
Two things necessary to determine the mechanism behind onset
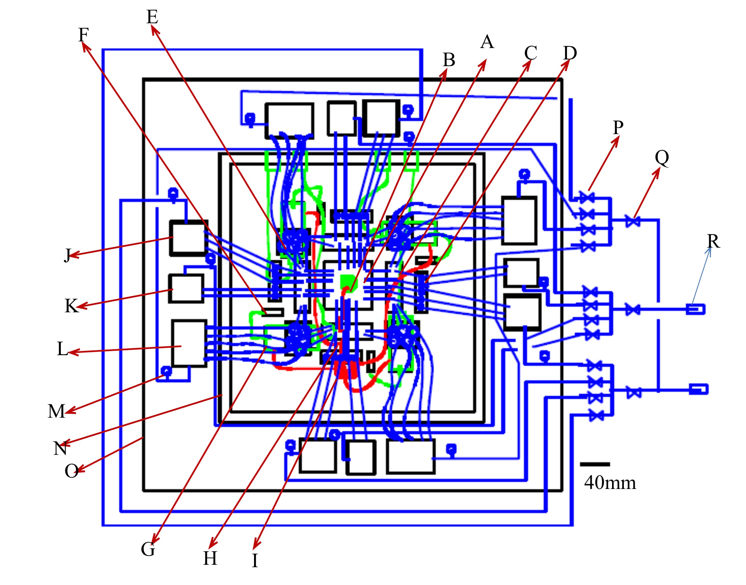
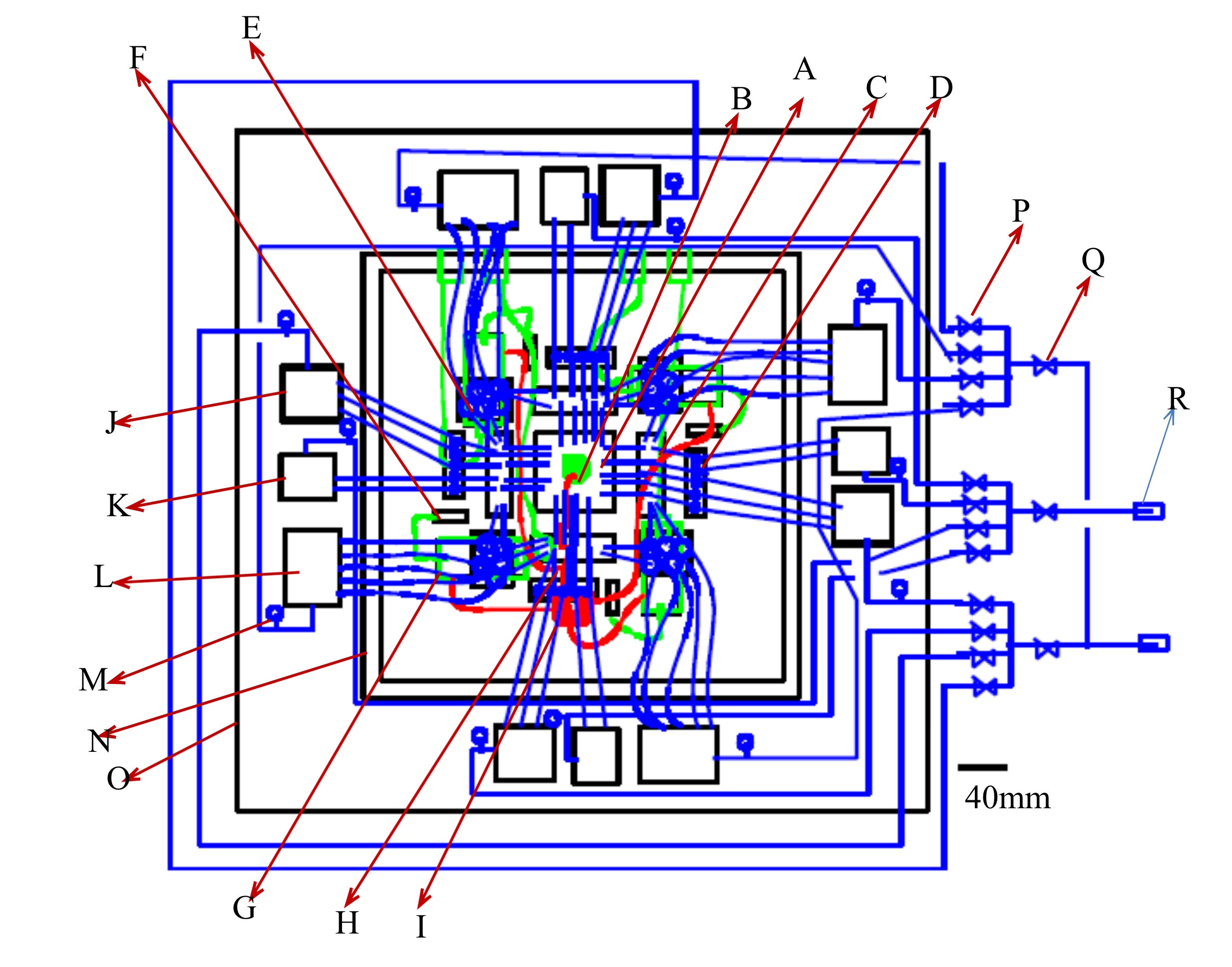
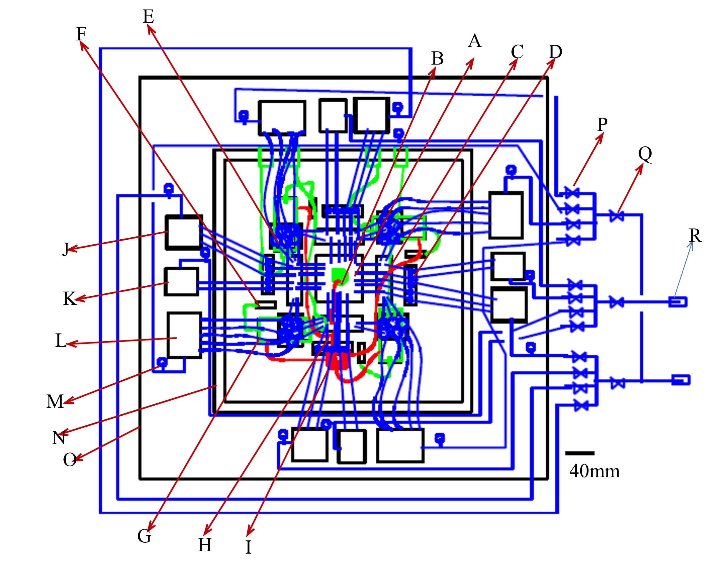
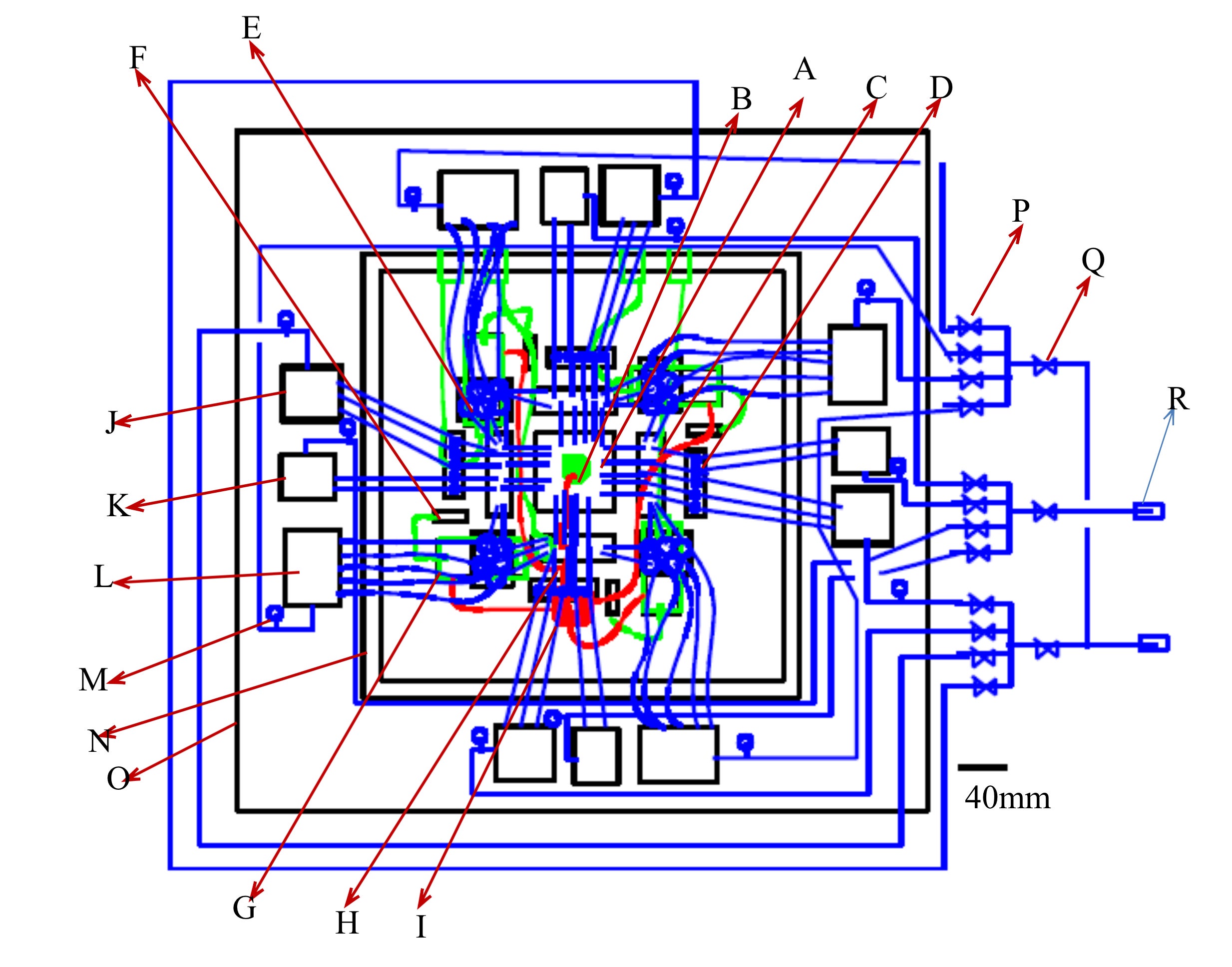
なぜ、ALSの治療方法が見つからないのか。端的に言えば、現時点ではまだ原因がわからないからです。先ほど、ALSは「脳や末梢神経からの命令を筋肉に伝える「運動ニューロン(運動神経細胞)が侵される」病気だと申し上げました。なんだ、原因がわかっているじゃないかと思われるかもしれませんが、「なぜ運動ニューロンが侵されるのか」、そのメカニズムがまだ解明されていないのです。解明するために必要なものは、2つ。ひとつは、生きた患部のサンプルです。実際の患者さんから採取するわけにはいきませんが、これはiPS細胞の登場によって解決されつつあります。では、発症の解明に必要なもうひとつのものとは何か。それこそ、今回のプロジェクトで実現を目指す「細胞の解析装置」なのです。
Why can’t we find a treatment method for ALS? To put it plainly, it’s because we do not yet know the cause of the disease. As I mentioned earlier, ALS is a disease in which “motor neurons, which convey commands from the brain and peripheral nerves to the muscles, are invaded.” Phrased like this, it may seem like the cause is understood, but the reason why motor neurons are affected remains unclear; the mechanism has not yet been found. We need two things to clarify the cause. One is a sample of a live affected area. Such a sample cannot be collected from actual patients, but this problem is being solved by the development of iPS cells. So, what is the other thing necessary to clarify the cause of ALS onset? The answer is a cell analysis device, which this project aims to create.
▼「複数」の細胞を「同時」にとらえる装置が不可欠
A device that measures multiple cells simultaneously is indispensable
細胞を単体で解析する装置は、すでにあります。しかし、脳とは無数かつ多種類な神経細胞ネットワークでできている、非常に複雑なもの。ALSをはじめ神経系の難病というのは、その複雑なネットワーク上に遺伝子の変異など発症の原因と、情報を伝達するスイッチの破損などの結果が網目(あみめ)上に分布しており、さらに、その分布は個人個人で異なるため、発症のメカニズムを解明するためには、複数の細胞を同時に解析する必要があるのです。
We already have a device to analyze cells individually. However, the brain is a very complex thing made up of countless and diverse nerve cell networks. In ALS and other intractable neurological diseases, genetic mutations generate on this complex network and breakage of the information-transferring parts are distributed across the mesh of nerve cell networks. This distribution varies among individuals, so in order to determine the mechanism behind disease onset, it is necessary to simultaneously analyze multiple cells on a network.

研究の結果、解析に必要な下記3つを実現できる技術を発見いたしました。
From prior research, we discovered a technology that can accomplish the following three items necessary for analysis.
◎多点で捉えること/細胞の活動(イオンチャンネルの特性・チャンネル電流)を10点以上で同時計測が可能。部品の破損を見つけられる。
◎Simultaneous measurement of multiple points: Simultaneous measurement of cell activity (ion channel current) at more than 10 points. The breakage of information-transferring parts can be found.
◎画像で捉えること/計測を行ったのと同じ細胞とその周辺の細胞について、染色などによる画像解析を行える。電流で観測できない部品の破損などを検出できる。
◎Imaging: Image analysis can be performed on the same cells for which activity is measured and on the surrounding cells by staining. It is possible to detect the breakage of parts that cannot be observed with the ion channel current.
◎遺伝子解析ができること/計測を行ったのと同じ細胞について、細胞内の遺伝子の解析ができる。病気の原因の情報を得られる。
◎Ability to analyze genes: Analysis of intracellular genes conducted on the same cells as those for which ion channel current was measured. Information on the cause of the disease can be obtained.
これらの技術を用いて解析装置を世界で初めてつくろうというのが、今回のプロジェクトです。
This project is the first in the world to create an analysis device that incorporates these technologies.

(技術の詳細はホームページ:http://urisu-group.jp/index.htmlを参照ください。/For details of the technology, please visit our website: http: //urisu-group.jp/index.html)
▼資金をクラウドファンディングで集める理由
Reasons to collect funds by crowdfunding
当然ですが、開発には多額のお金を要します。試作機を製造し、有用性を実証するためにはおよそ650万円が必要だと見積もっています。もちろん私も自己資金を投じますが、まだまだ足りません。ALSや神経系の難病の原因解明・克服は、世界中の人の希望になります。ぜひ皆さまの力をお貸しいただけないでしょうか。
Naturally, development costs a lot of money. We estimate that we need about 6.5 million yen to manufacture a prototype and demonstrate its usefulness. Of course I am investing my own funds, but my funds alone are not enough. Clarifying the cause of ALS and overcoming neurological diseases is a goal shared by people all over the world. Could you lend us your strength so we can achieve this goal?
大学や国からお金を工面できないのかと思われる方もいらっしゃるかもしれません。当然のことと思います。ただ、私は大学の客員教授という立場で正規の教授は約8年前に退いておりますし、国の補助金を申請するにも「若い研究者を支援する」という主旨の補助金が多く、73歳という年齢がネックになっているのです。
There may be people who wonder why I can’t get funding from my university or the nation. I think that’s natural. However, I retired from the university (Institute for Molecular Science) about eight years ago and am now a 73-year-old visiting professor. National funding generally has a stipulation that it must prioritize young researchers; my age of 73 years presents a difficult obstacle.
65歳になるまでは、自身でさまざまな助成金や補助金に応募し研究資金を集めてきましたが、それも来年度には底をついてしまいます。
Until the age of 65, I applied for various grants and subsidies by myself and gathered research funds, but these funds will also run out next year.
試作機ができれば会社を設立し、投資という形で資金を集め、実用機の製作に取り掛かることができます。ですので、1日も早く試作機を製作したいと考えております。
If a prototype can be created, I can establish a company, collect funds in the form of investment, and start working on a practical machine. Thus, we would like to produce a prototype as soon as possible.
▼応援者メッセージ
Messages from Supporters
このプロジェクトについて研究者仲間や友人、知人に話したところ、多くの方が賛同くださっています。ここでは代表して3名の方からいただいた応援のメッセージをご紹介します。
I discussed this project with colleagues, friends, and acquaintances, and many people agreed with its goal. Here, we will share messages of support from three people.
----------------
この装置は人類の悲願です。
神原秀記博士
日立製作所フェロー、次世代DNAシークエンサー発明者。
2000年のクリントン大統領のヒトゲノム解読宣言に大きく貢献。
The creation of this device is sincerely wished for by humankind.
Dr. Hideki Kambara
Hitachi, Ltd., Fellow. Inventor of next-generation DNA sequencer.
He contributed greatly to President Clinton’s declaration of
human genome decoding in 2000.
----------------
この装置は神経難病の解決に
うまく利用してブレークスルーをもたらす。
井本敬二教授
生理学研究所長。脳の神経回路機能解析と疾患の関係を研究。
This device will be a breakthrough for the treatment and cure of
human intractable neural diseases.
Professor Keiji Imoto
Director General of the National Institute for Physiological Science. Research involves the relationship between neural circuit functional analysis of the brain and disease.
-----------------
この装置はALS患者に共通する
発症原因の特定に寄与する可能性がある。
野田昌晴教授
基礎生物学研究所教授。Naチャンネルの発見者。
様々な脳のシステム的研究の世界的権威
This device may contribute to identifying the cause of onset
common to ALS patients.
Professor Masaharu Noda
Professor of the National Institute for Basic Biology. Discovered the Na channel.
World authority on systematic research of brains.
▼日本ALS協会第4代会長・長尾義明氏にもお会いしてきました
I have met with Mr. Yoshiaki Nagao, the 4th President of the Japan ALS Association
ALSの発症をきっかけに、困難を極めるなか絵を描きつづけておられる方がいます。徳島県在住で日本ALS協会の第4代会長を務められた長尾義明さんです。彼の描くこのアイリスの絵に感銘を受け、お時間を頂戴し徳島まで会いに行ってきました。
There is a person who continues to draw pictures even as it gets more and more difficult due to the onset of ALS. His name is Yoshiaki Nagao. He lives in Tokushima prefecture and served as the fourth president of the Japan ALS Association. I was impressed by the picture of an iris that he drew, and I was given the opportunity to go to Tokushima to see him.
製造業の社長を務められていた長尾さん。結婚して20年経った頃に発症され、その後28年間にわたって奥様の看病のもとで闘病生活をつづけておられます。
Mr. Nagao was formerly the president of a company in the manufacturing industry. He came down with ALS about 20 years after his marriage, and he has continued to fight the illness for the 28 years thereafter under the care of his wife.

長尾氏は、写真のように足で絵を描いておられるアーティストでもあります。1枚描きあげるのにおよそ100時間かかるそうで、600点の絵が掲載された画集(『難病ALSを生きる』エミールソフト開発刊)まで上梓されているので、気の遠くなるような作業です。
He draws pictures with his foot, as shown in the photograph. It takes about 100 hours to draw one picture. His work is astounding; it has been published in an art book that collected 600 of his pieces (published by EmileSoft Ltd.).
今回のプロジェクトについてお伝えしたところ、下記のようなお言葉を頂戴しました。
When I told him about this project, I received the following message.
--------------------------------------------
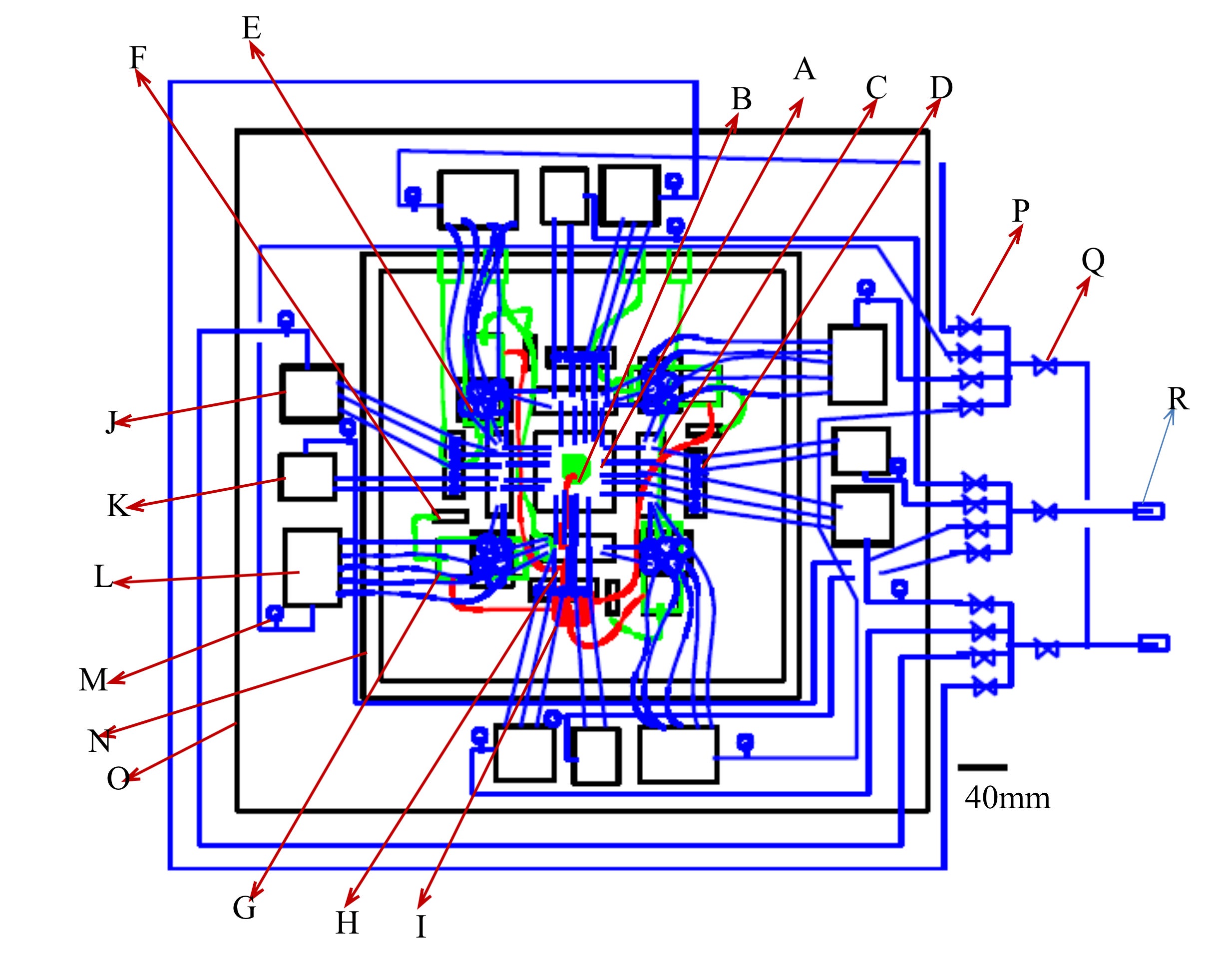
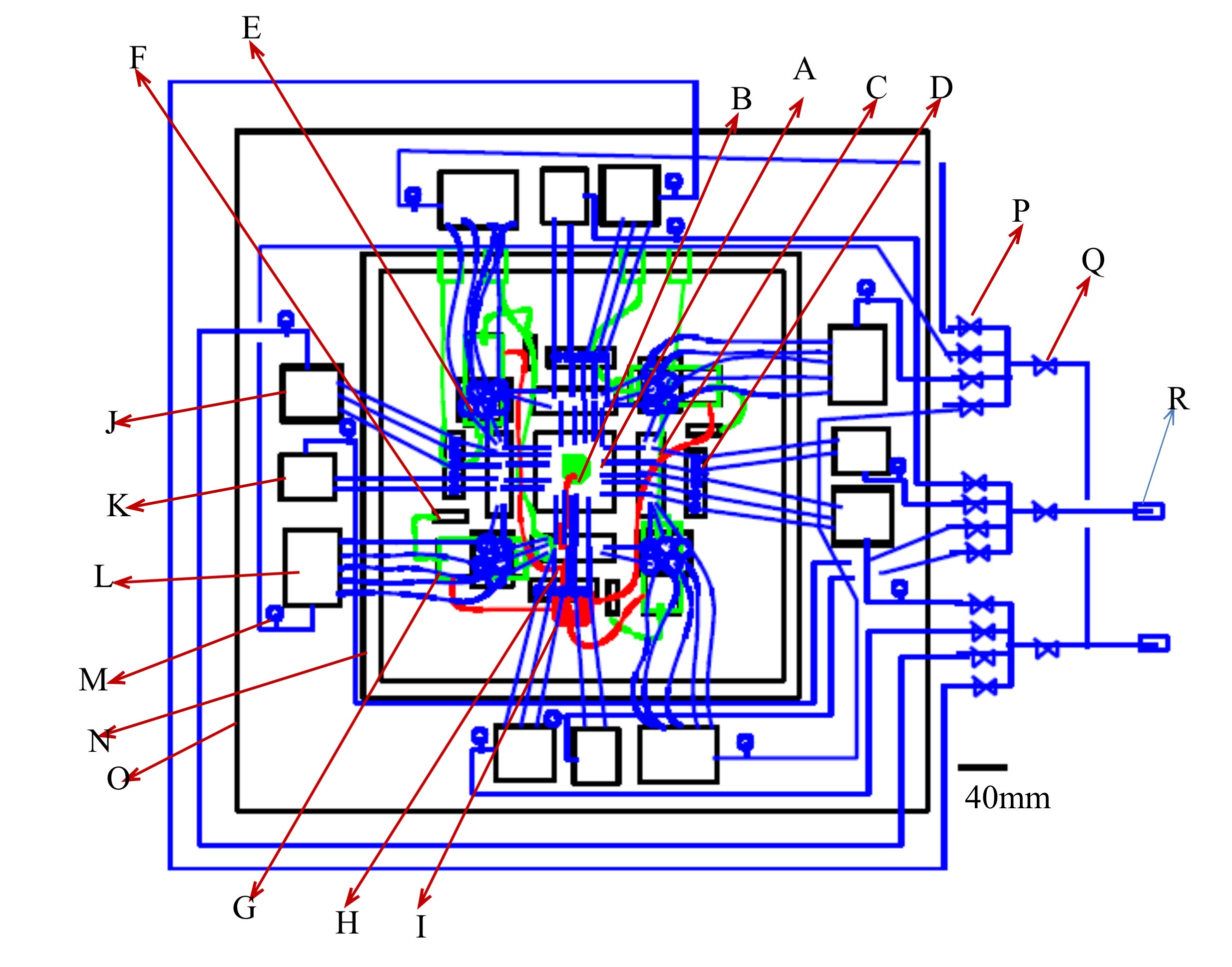
プロトタイプ装置の設計図拝見しました。
一日でも早く実用化されることを
全てのALS患者が待ち望んでいます。
頑張って下さい。
長尾義明
I looked over the design drawing of the prototype device.
All ALS patients await the day it can be put to practical use
and hope that day comes as soon as possible.
Good luck.
Yoshiaki Nagao
--------------------------------------------
また、合わせてアイリスと姫路城、そして虎の絵をお預かりいたしましたので、今回のプロジェクトのリターン品としても活用させていただきます。
We have been given the iris, Himeji Castle, and white tiger paintings, and we will use them as backer rewards for this project.



ALS協会の会長として、そしてALS患者のお一人として、大きな期待をお寄せいただいています。そのご期待にお応えするためにも、まずはこのプロジェクトを成功させたいと思います。
As the fourth president of the ALS Association and a patient of ALS, Mr. Nagao has placed great expectations on us. In order to meet those expectations, we hope to make this project a success.
▼目標金額200万円の内訳
Breakdown of the crowdfunding target amount of 2 million yen
試作機をつくるのにおよそ650万円の費用がかかります。自己資金を投じ、65歳以上でも応募ができる基金からお金をいただけたとしても、200万円が不足してしまいます。皆さまにはそこを補っていただきたいと考えております。
It costs about 6.5 million yen to make a prototype. Even if I invest my own money and get money from a fund that even those who are 65 and older can apply for, I will run short by 2 million yen. We would like to ask for everyone’s contribution to compensate for this amount.
試作機製作メーカーからの見積 280万円
Estimate from prototype manufacturer: 2.8 million yen
プレーナーパッチクランプ増幅器開発 200万円
Planar patch clamp amplifier development: 2 million yen
実用性の観点からのシリコンパッチクランプ基板の性能アップ 120万円
Improving practical performance of silicon patch clamp chip: 1.2 million yen
シリコンSOI基板 50万円
Silicon SOI wafer: 0.5 million yen
▼最後に
In closing
ここまでお読みいただき、ありがとうございます。どうしても専門的な話になってしまうため、わかりづらいなと思われる点もあったのではないでしょうか。それでもこうしてお読みいただけたことを、心から御礼申し上げます。
Thank you for reading this far. Because this topic can’t be discussed without getting into technical details, there were probably points that seem difficult to understand. I express my sincere gratitude to you for reading all the way despite that fact.
ALSをはじめとする神経系の難病の解決は、人類にとっておよそ150年にわたる悲願。今回のプロジェクトの達成は、発症のメカニズムの解明に向け、そして治療や新薬の開発に向けて大きな一歩となるはずです。
The treatment and cure of intractable diseases of the nervous system, including ALS, has been a wish shared by humankind for over 150 years. The completion of this project should be a major step toward clarifying the mechanism behind disease onset and toward developing treatment and new drugs.
ぜひ、あなたの力を貸してください。
Please lend me your strength.
▼リターン品について
■3,000円
・お礼のお手紙をお送りします。Letter of thanks
・キーホルダー(ジャーマンアイリス)Keychain (German iris)
■3,000円
・お礼のお手紙をお送りします。Letter of thanks
・キーホルダー(姫路城)Keychain (Himeji Castle)
■3,000円
・お礼のお手紙をお送りします。Letter of thanks
・キーホルダー(虎)Keychain (white tiger)
■10,000円
・お礼のお手紙をお送りします。Letter of thanks
・キーホルダー3種(アイリス・姫路城・虎)Three keychains
■50,000円
・お礼のお手紙をお送りします。Letter of thanks
・キーホルダー3種(アイリス・姫路城・虎)Three keychains
・研究室の見学 Visit to our laboratory
(私の研究室を見学いただけます 名古屋大学への交通費は各自ご負担ください)
■150,000円
・お礼のお手紙をお送りします。Letter of thanks
・キーホルダー3種(アイリス・姫路城・虎) Three keychains
・研究室の見学 Visit to our laboratory
(私の研究室を見学いただけます 名古屋大学への交通費は各自ご負担ください)
・記者発表に同席 Invitation to press release
(解析装置の完成時、記者発表に同席いただきます 記者発表会場への交通費は各自ご負担ください)
▼スケジュール
2月 プロジェクト開始
4月 プロジェクト終了
5月 解析装置完成(予定)
お礼のお手紙、キーホルダー送付(予定)
研究室の見学
6月 記者発表
※上記はあくまでも予定のスケジュールです。
研究の進捗状況により変更になる可能性があることをご了承ください。
ーーーーーーーーーーー
宇理須恒雄が渡り歩いた研究分野
Research fields that Tsuneo Urisu was involved in
分子構造学(1968-1973)、半導体レーザー開発(1973-1975)、光増幅器開発(1975-1977)、液晶テレビ開発(1977-1978)、高速光検出器開発(1978-1980)、光ヘテロダイン検出技術開発(1980-1981), フェムト秒光パルス発生技術開発(!981-1983)、シリコン半導体微細加工技術開発(1983-1992)、 シリコン半導体の表面科学(1992-2007)、アルツハイマー病の機構解明(2007-2010)、 ALSの原因解明のためのハイスループット診断装置の開発(2010- 現在)
Molecular structure science (1968–1973), semiconductor laser development (1973–1975), optical amplifier development (1975–1977), liquid crystal display development (1977–1978), high-speed photodetector development (1978–1980), optical heterodyne detection technology development (1980–1981), femtosecond optical pulse generation technology development (1981–1983), silicon semiconductor micro-fabrication technology development (1983–1992), silicon semiconductor surface science (1992–2007), clarification of the mechanism behind Alzheimer’s disease (2007–2010), development of a high-throughput diagnostic device for clarifying the cause of ALS (2010–present)
ーーーーーーーーーーー
実績 詳細はホームページ(http://www.urisu-group.jp)を参照ください。
For details of past achievements, please refer to our homepage. (http://www.urisu-group.jp).
1.「レーザー発振で、雑音のお陰で、非常に短い光パルスが安定に存在する」ことを証明(1983)。
Proved that, in the synchronous mode-locking of laser oscillations, a very short light pulse stably exists thanks to noise (1983).
2.真空紫外光による半導体の新しいナノ加工技術を発明(1988)
Invented a new nanofabrication technique for semiconductors using vacuum ultraviolet light (1988).
3.アルツハイマー病において、脳にアミロイド凝集体の形成機構を新たに解明 (2010)。
New clarification of the formation mechanism of amyloid β aggregates in the brain in Alzheimer’s disease (2010).
4.神経・精神難病の原因解明と創薬のための新解析装置を発明(2014)。
Invented a new analytical device for clarifying the causes of neural and psychiatric disorders and for the creation of drugs (2014).
ーーーーーーーーーーー
◎国際特許(PCT出願)
International patents (PCT application)
1.「プレーナーパッチクランプ装置、該装置用電極部及び細胞イオンチャンネル電流計測方法」独立行政法人科学技術振興機構出願、PCT/JP2012/081556 発明者 宇理須恒雄、Wang Zhihong, 宇野秀隆、Obuliraju Senthil Kumar, 長岡靖崇
“PLANAR PATCH CLAMP DEVICE, ELECTRODES FOR SAID DEVICE, AND CELL ION CHANNEL CURRENT MEASUREMENT METHOD”
Application by Japan Science and Technology Agency, PCT/JP2012/081556; Inventors: Tsuneo Urisu, Wang Zhihong, Hidetaka Uno, Obuliraju Senthil Kumar, and Yasutaka Nagaoka.
2. 「神経細胞ネットワークの形成およびその利用、並びに神経細胞播種デバイス」、独立行政法人科学技術振興機構出願、PCT/JP2013/057976, 発明者:宇理須恒雄、、ワンツーホン、長岡靖崇、西藤美穂
“FORMATION AND USE OF NEURONAL NETWORK, AND NEURON SEEDING DEVICE”
Application by Japan Science and Technology Agency, PCT/JP2013/057976; Inventors: Tsuneo Urisu, Zhihong Wang, Hidetaka Uno, Yasutaka Nagaoka, and Miho Saito.
3. 「プレーナーパッチクランプ装置およびプレーナーパッチクランプシステム」独立行政法人科学技術振興機構出願、PCT/JP2014/072808, 発明者:宇理須恒雄、、ワンツーホン、宇野秀隆、長岡靖崇、 小林 啓
“PLANAR PATCH CLAMP DEVICE AND PLANAR PATCH CLAMP SYSTEM”
Application by Japan Science and Technology Agency, PCT/JP2014/072808; Inventors: Tsuneo Urisu, Zhihong Wang, Hidetaka Uno, Yasutaka Nagaoka, and Kei Kobayashi.
4. 「細胞播種培養装置」 独立行政法人科学技術振興機構出願, PCT/JP2015/051905, 発明者:宇理須恒雄、ワンツーホン、宇野秀隆、長岡靖崇
“CELL-SEEDING AND CULTURING DEVICE”
Application by Japan Science and Technology Agency, PCT/JP2015/051905; Inventors: Tsuneo Urisu, Zhihong Wang, Hidetaka Uno, and Yasutaka Nagaoka.
◎国内特許
National patents
「マイクロバルブを有するマイクロ流路デバイス」、 特願2013-228299、 出願日2013年11月1日、 発明者 佐藤嗣紀、 宇理須恒雄、 宇野秀隆、 権利者 株式会社不二越、 国立大学法人名古屋大学
“Microfluidic device with microvalves,” Application No. 2013–228299; Application date: November 1, 2013; Inventors: Hideki Sato, Tsuneo Urisu, and Hidetaka Uno; Rights holders: Nachi-Fujikoshi Corp, Nagoya University.
.「細胞光応答制御用基板、細胞光応答制御装置、細胞光応答検出装置、細胞光応答制御方法および細胞光応答検出方法」 特願2009-079411,出願日2009年3月27日、発明者 宇理須恒雄、宇野秀隆、浅野豪文 権利者 大学共同利用機関法人自然科学研究機構、
“Cell light responsive control substrate, cell light responsive control device, cell light responsive detection device, cell light responsive control method, and cell light responsive detection method,” Application No. 2009–079411; Application date: March 27, 2009; Inventors: Tsuneo Urisu, Hidetaka Uno, and Toshifumi Asano; Rights holders: Institute for Molecular Science, NINS.
3.「パッチクランプ素子用基板、平面基板型パッチクランプ素子および細胞イオンチャンネル活性測定方法」 特願2008-046145、出願日平成20年2月27日、発明者 宇理須恒雄、宇野秀隆、浅野豪文 権利者 大学共同利用機関法人自然科学研究機構
“Substrate for patch clamping device, flat substrate type patch clamping device and cell ion channel activity measuring method,” Application No: 2008–046145; Application date: February 27, 2008; Inventors: Tsuneo Urisu, Hidetaka Uno, and Toshifumi Asano; Rights holders: Institute for Molecular Science, NINS.
4.「細胞内容物の回収方法および回収装置」、特願2017-160962、 出願日:2017年8月24日、発明者: 高村禅、宇理須恒雄、石垣診祐、宇野秀隆、 権利者:名古屋大学、北陸先端科学技術大学院大学。
“Method and apparatus for collecting cell contents,” Application No: 2017–160962; Application date: August 24, 2017; Inventors: Yuzuru Takamura, Tsuneo Urisu, Shinsuke Ishigaki, and Hidetaka Uno; Rights holders: Nagoya University, Japan Advanced Institute of Science and Technology.





コメント
もっと見る