はじめに・ご挨拶
集合住宅住まいの皆さんは、太陽光発電なんてできないと思っていませんか? ベランダや太陽光の降り注ぐ大きな窓があれば太陽光発電はできます。 東日本大震災から10年経ちますが、災害・停電時の電力はどうしますか? このプロジェクトでは、普段は低ランニングコスト、災害・停電時は、貴重な電力を確保できる太陽光USB充電システムを構築するお手伝いをします。
プロダクトのご紹介
このプロジェクトでは、太陽光USB充電システム向けのプリント基板を提供します。 そのプリント基板がこちらになります。 10cm×10cmの小さな基板になります。 (こちらは、新基板になります。)

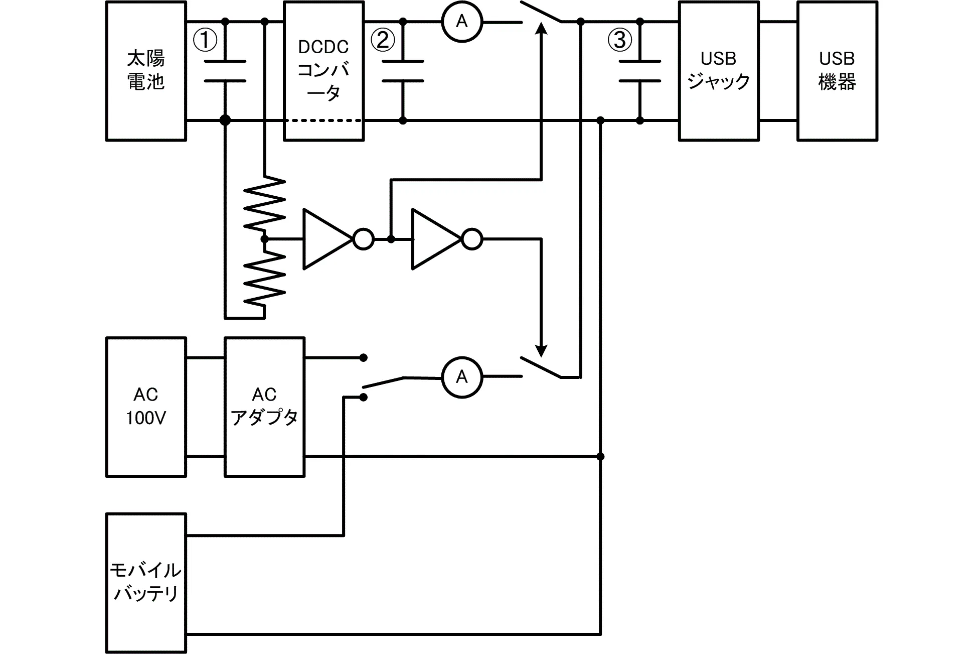
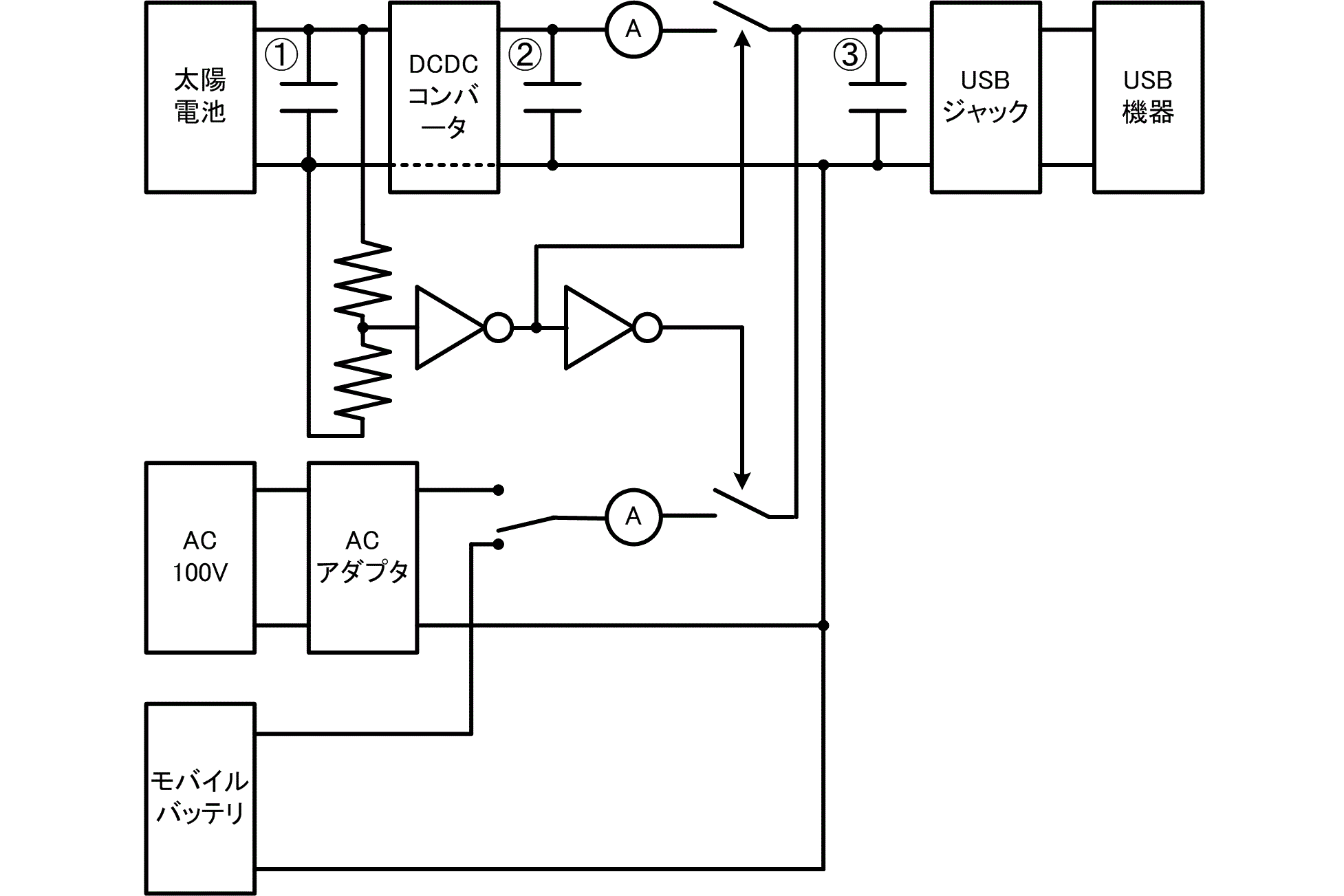
こちら(下)が、内部のシステム図です。 スイッチでの、ACアダプタとモバイルバッテリ間での切り替えにより、
1.太陽光パネルとACアダプタによる協調充電
2.太陽光パネルとモバイルバッテリによる協調充電
が選べます。

こだわり・特徴
通常の独立電源システムと呼ばれる小規模な太陽光発電システムでは、12Vのバッテリーを用います。 12Vのバッテリーは、通常は鉛蓄電池です。 この鉛蓄電池は重く、数年しか寿命がありません。 そのため、鉛蓄電池を使うシステムではランニングコストが高くなってしまいます。 このプロジェクトで提案するシステムは、12Vのバッテリーがなくても動作します。 そのため、非常にランニングコストが安くなります。 そして、太陽光パネルとACアダプタによる協調充電をし、高速にUSB充電します。 それ以外にも様々な工夫と最適化により、効率よく電力を使って、USB充電します。

また、このプロジェクトで提案するシステムは、商用電力がなくても太陽光パネルのみから高効率でUSB充電する、スタンドアロンモードを備えています。 昼間は、太陽光パネルとモバイルバッテリからの協調充電もできます。 夜間は、モバイルバッテリから充電できます。 そのため、停電・災害時は、貴重な電力が得られます。
実装例がこちらになります。 (こちらは、新基板の実装例になります。)
プロダクト誕生までのお話
2009年 自然エネルギー関連システムの研究を始める
2019年 太陽光パネルとACアダプタによる協調充電システムを思いつく
2020年 関連特許2件出願
リターンのご紹介
800円コース…技術解説&組み立てガイドPDFを送りします。 リターンの送付日より6ヶ月は、技術解説&組み立てガイドPDF単体での通常販売はしません。
2,500円 / 4,000円 / 7,000円コース…旧プリント基板(型番CBLC-01-14を予定)を1枚~4枚お送りします。 技術解説&組み立てガイドPDF付です。 プリント基板1枚につきDCDCコンバータを1個お付けします。
1,400円 / 1,500円 / 2,400円 / 2,500円 / 4,400円 / 4,500円コース…新プリント基板(型番CBLC-03-03を予定)を1枚~4枚お送りします。 技術解説&組み立てガイドPDF付です。
18,000円コース…新プリント基板(型番CBLC-03-03を予定)を10枚お送りします。 型番、「 Chariot Lab.」の屋号名、URL部分のシルク印刷を支援者様の好きな文字列にカスタマイズ可能です。 また、プリント基板の色を選べます。
製品情報・仕様
プリント基板サイズ:10cm x 10cm
配線銅箔厚:0.35um
動作最大入力電圧:40V
入力耐圧:40V
USB出力電圧:5V
最大USB出力電流:合計2A
USB出力ポート:USB-A 2基、USB-C 1基
※太陽光パネル、ACアダプタ、実装部品は付きません。 ただし旧プリント基板には、DCDCコンバータのみ付きます。
※リターンは、完成品ではありません。
資金の使い道について
基板発注費、国際貨物輸送費…1万円
クラウドファンディング手数料、マーケティング費…1万円
さらに先に向けての研究開発費…1万円
スケジュール
2021年3月11日 プロジェクト終了
2021年4月 技術資料作成、1,400円~7,000円コース プリント基板発注
2021年5月 1,400円~7,000円コース プリント基板発送、18,000円コース プリント基板発注
2021年6月 18,000円コース プリント基板発送
Chariot Lab. の紹介
Chariot Lab.では、自然エネルギー関連システムの研究開発の他、自然エネルギー関連 のリンクバナーサイトの運営(入居無料)、電子メール送信システム、ファイル共有システムなどを運営しています。
注意事項
1.本システムを組み立てられるという保証はしません。
2.本システムを導入すること、導入しようとすることによる一切の影響に関し、当方は責任を持ちません。
3.サポートは、クラウドファンディングのシステムまたは、電子メールのみとなります。
4.システム規模によっては、感電、火災のリスクがあります。
5.本プロジェクトのリターン品はプリント基板で、完成品ではありません。 本プロジェクトのリターン品の組み立ては、半田ごてを扱えることが前提となります。
6.プリント基板は中国製のため、シルク印刷のかすれ等、品質があまり良くない場合がございます。
7.国際情勢によっては工場が止まるというリスクがあり、納期が遅れる可能性があります。
Q&A
1.太陽光パネルはどの程度の規模のものが適しますか?
ベランダに設置する場合50W程度、窓の内側に設置する場合100W程度が適します。 太陽光パネルが1枚の場合、逆電流防止ダイオードが必要ないので、太陽光パネルは1枚を推奨します。
2.実装部品の費用はどのくらいですか?
プリント基板1枚分を完成させるのに、旧基板でDCDCコンバータ以外の実装部品代が約1,200円程度、新基板でDCDCコンバータを含む実装部品代が1,800円程度となります。
3.実装部品はどこで購入できますか?
DCDCコンバータ以外の全ての実装部品は、秋月電子通商でお買い求めいただけます。 尚、旧基板のメイン部品であるDCDCコンバータは、生産中止になりました。 旧基板に実装する際は、一緒にお送りするDCDCコンバータをご使用ください。
4.電子工学の知識は必要ですか?
電子工学の知識があると、応用やアレンジがしやすく、知的好奇心を大いに刺激することでしょう。 しかし、電子工学の知識がなくても、組み立てガイドに従って部品を実装すれば、提案するシステムを構築できます。
5.なぜ、直前でプロジェクトが変更され、リターンが大きく変わったのですか?
2020/12/24頃、メイン部品であるDCDCコンバータが生産中止になったことが判明しました。 これでは支援者様が目的のシステムを作れません。 そのため、旧基板に関しては、リターンのプリント基板数上限を、当方が保有するDCDCコンバータの在庫数とし、プリント基板1枚につきDCDCコンバータを1つお付けする方針としました。 また、別のDCDCコンバータを用いる新基板をリターンに追加しました。
本プロジェクトはAll-in方式で実施します。目標金額に満たない場合も、計画を実行し、リターンをお届けします。
最新の活動報告
もっと見る発電した以上を家計の消費電力から節約する~Chariot SACS~
2025/09/05 18:00こんばんは、お元気ですか? まだまだ暑いですね。 発電した以上を家計の消費電力から節約する、Chariot SACSの動画はご覧いただきましたでしょうか?まだの方は、こちらからご覧ください。オリジナルの8分版と、ヒーローズリーグ向けの3分版があります。オリジナルの8分版ヒーローズリーグ向けの3分版 動画より文字で見たいという方は、12Vバッテリーレス充電システム公式ページのChariot SACSのご覧ください。https://www.chariot-lab.com/12V_batteryless_charging_system/12V_batteryless_charging_system.html GUGENコンテストがしばらくの間休止になったので、ヒーローズリーグ2025に応募しております。https://protopedia.net/prototype/7103ぜひともいいね押してください。 Chariot SACSに関し、日本国特許の特許査定を得ております。また、外国出願に関し、政府系機関から、最大111万円の補助金の交付が決定しております。 製品は、2026年中に、こちらで販売予定です。https://shop.chariot-lab.com/products/detail/15 今後ともChariot Lab.とChariot SACSをどうぞよろしくお願いいたします。 もっと見る発電した以上を家計の消費電力から節約する~Chariot SACS~
2025/07/18 18:00こんばんは、Chariot Lab.です。今回は、Chariot Lab.で最後の製品となる予定のChariot SACSを紹介します。発電した以上を家計の消費電力から節約する方法を紹介です。発電した以上を家計の消費電力から節約する、そんなことできるのでしょうか?蓄電したエネルギーを使って節約するのではありません。また、永久機関のような夢物語を語るのでもありません。そして、様々な条件によって効率は変化するので、発電した以上を家計の消費電力から節約できることもあればできないこともあります。発電した以上を家計の消費電力から節約することも場合によってはありうる程度にお考え下さい。みなさんは、どのようにしたら発電した以上を家計の消費電力から節約することができると思いますか? 本製品は、2025年冬に開かれる予定のGUGENコンテスト2025への出場を目指しています。そして、GUGENコンテストへの応募は、本件を最後にし、引退します。本製品は、2026年6月ごろに製品として販売を開始する予定です。販売予定ページhttps://shop.chariot-lab.com/products/detail/15よろしくお願いいたします。 もっと見る
電子書籍を大幅値下げ
2025/03/14 18:00お久しぶりです、お元気ですか?以下の3冊の電子書籍を大幅値下げしました。お求めやすくなっので、よろしくお願いします。12Vバッテリーレス充電システム 第1巻: 太陽電池とACアダプタの協調充電新価格:580円https://www.amazon.co.jp/dp/B09GBLQ7BD?&_encoding=UTF8&tag=chariot08-22&linkCode=ur2&linkId=e3e22f9951c3c269d1c159e3f070512a&camp=247&creative=121112V バッテリーレス充電システム 第2巻: 太陽電池と AC アダプタの協調充電新価格:580円https://www.amazon.co.jp/dp/B0B191DDWR?&_encoding=UTF8&tag=chariot08-22&linkCode=ur2&linkId=873495a73eba4e47c702d90dc89e96f1&camp=247&creative=121112Vバッテリレス充電システム 第3巻: Chariot SAMBA ~モバイルバッテリを用いた独立電源システム~ 12V バッテリーレス充電システム新価格:980円https://www.amazon.co.jp/dp/B0CHQFDR1T?&_encoding=UTF8&tag=chariot08-22&linkCode=ur2&linkId=cfca09ae479076f589352041cf61bb79&camp=247&creative=1211 もっと見る





コメント
もっと見る