
模型でもおもちゃでもありません。
サイズこそ手のひらに収まりますが、液体燃料で動く立派なエンジンです。

今回ご紹介するのは超小型4ストロークエンジンモデル Toyan Engine FS-S100AT。
手のひらサイズの本物エンジンは本格エンジニア体験をお届けします。

Toyan Engine FS-S100AT は燃焼室が観察可能な本格エンジンキットです。
燃料を燃焼させて動力を得るそのメカニズムは、本物のエンジンと比べて遜色ありません。

点火すれば本物のエンジン音が鳴り響きます。
何度も燃焼を繰り返す燃焼室は、いつまで観ていても飽きません。

今までもエンジンモデルはありましたが、模型の域を出なかったり、
一度回したら飽きてしまうものも少なくありませんでした。
Toyan Engine FS-S100ATは本格的なエンジンなだけでは無く、燃焼室を観ることができる斬新な構造です。
実際に点火してエンジンを動かせば構造をじっくりと観察することができます。
コロナ禍で増えたお家時間、皆さんはどのように過ごしていますか?
「Youtubeも見飽きたし、ゲームもやり飽きた・・・」
そんな皆さんに本格的なエンジン体験をお届けします!

観察しただけで終わらないのがToyan Engine FS-S100ATのすごいところです。
ラジコンなどの動力として活用することもでき、その可能性は無限大です。
本格エンジンなので使われている部品は200個以上。
組み立てられ、完成した状態でお届けするので家に届いた瞬間から遊ぶことができます。
Toyan Engine FS-S100AT は、車などでも使われている4サイクルエンジンです。
燃焼室を覗くことができる小窓からは、圧縮・点火・燃焼・回転の一連の流れをしっかり観察することができます。
エンジン音を聞くことはあっても、実際に目でみることは少なくないはず。
エンジン好きの方にとっては夢のような製品が登場しました。

エンジンの燃焼室内では、最大200気圧・2000℃という高温高圧になります。
その厳しい環境に耐えうるために観察窓には二層特製ガラスを採用、
安心してエンジンを観察することができます。

また特殊な構造のおかげで、安心して燃焼を観察することができます。
小さいながらも本物のエンジン。
繰り返される燃焼はどんどんピストンを動かします。

稼動している様子をこちらの動画からご覧いただけます。
本格エンジンモデルを是非ご体験ください。
車やバイクのエンジン音がたまらない!という方は少なくないはず。
この本格エンジンなら、加速音も十分楽しむことができます。
スロットルロッカーアームの角度を調整すれば、まるでアクセルを踏んだかのように、エンジンの加速音もしっかり体験することができます。

実際にロッカーアームを稼動した時の、
まるでアクセルをふかすかのようなエンジン音の変化をこちらの動画よりご確認ください。

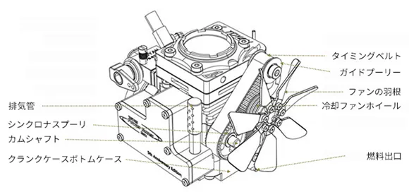
4ストロークエンジンは、「吸気→圧縮→燃焼→排気」の4つの行程を繰り返します。
ピストンの往復運動に連動したカムシャフトの回転によって、吸・排気弁はそれぞれの行程に応じて正確に吸・排気弁を開閉します。

吸排気弁の開閉で4つの行程が正確に制御されます。
これによって高い効率を実現しています。

エアクリーナーから吸い込まれた空気がキャブレターの中を流れて行く途中で、
空気の流れによって吸い上げられたガソリンと混ざり、エンジン内部に供給されます。
改良されたキャブレターより、燃料と空気が混ざりやすくなり、燃料の燃焼率が高くなります。

エンジンは熱との戦いです。
サウンドをよりお伝えするために、本エンジンキットでは空冷式の冷却方法を採用しております。
これはエンジン動力で冷却ファンを常時駆動し、外気をエンジンの冷却フィンに当てることで冷却効率を高める方式です。
従来のエンジンモデルでは、点火方式の違いにより、混合ガソリン燃料かメタノール燃料のどちらかしか使用できませんでした。
本エンジンモデルでは高電圧スパークプラグ点火装置により、混合ガソリン燃料・メタノール燃料、どちらも使用することができます!

燃料はネットなどで安価で購入できるので、エンジンモデルはお財布にも優しく楽しむことができます。
参考:1リットルの燃料を使用した場合、通常速度で約4時間稼働できます。
従来のエンジンモデルでは、起動させる為に必要なパーツを揃えるまでかなり苦労していました。
その為お家にモデルが届いてもすぐに遊べないということがありました。
ご安心ください!
Toyan Engine FS-S100ATでは、動くために必要なパーツを全部用意しております!
後日、より具体的なパーツ接続案内動画を制作する予定です!

注意:7.4Vリチウム電池 x 2 や燃料をご自身で準備して頂くことになります。
実際に各部品を接続した様子がこちらです。

本格的なエンジンモデル、 Toyan Engine FS-S100ATの楽しみ方は無限大です。
「ただの模型なんじゃないの?」
そんなことはありません!
Toyan Engine FS-S100ATは、1:10、1:12、1:14スケールのモデル自動車またはモデル船舶およびその他の模型にも使用できます。
もし周りにエンジン愛好家が居たら、プレゼントの品としてもぴったりです。

超小型ですが、本格エンジンモデルなので様々な楽しみ方ができます。
ピストンをしっかりと動かすので、模型に付けられるのがメリットです。

しっかりとうなるエンジン音、走りはまるで本物の車です。

模型船に取り付ければ水の上を縦横無尽に走ります。
一生懸命作った船の模型、せっかくならば動かしてみたくありませんか?

ウォーターポンプに繋ぎ、夏の水遊びにも!



2022年3月上旬 リリース
2022年4月24日 終了
2022年5月上旬 製造開始
2022年5月下旬 日本へ運送
2022年6月下旬 支援者様への配送
※スケジュールに変更がある場合には、活動レポート、及び各種SNSにおいて速やかに皆様にご報告いたします。
早く支援するほど、お得なリターン割引!
セット1:エンジンモデル Toyan Engine FS-S100AT 本体のみ



セット2:エンジンモデルを稼働させるために必要なパーツが揃っています。
→ Toyan Engine FS-S100AT エンジンモデル本体
→ オイルチューブ X 2
→ プラスチック燃料タンク
→ CDI 点火装置
→ ESC スピードコントローラー
→ 接続道具一式



セット3:接続道具一式
→1.5mm 六角ドライバー x1
→2.0mm 六角ドライバー x1
→2.5mm 六角ドライバー x1
→3.0mm 六角ドライバー x1
→2.0mm プラスドライバー x1
→7.0mm プラグ固定用レンチ
※接続道具一式の中に含まれた道具は、ネット上やホームセンターなどでも購入可能となります。
※生産国 : 中国

セット4:エンジンモデル固定用金属ベース
※材質 : アルミニウム
※エンジンモデル本体をこのベースの上に固定することができます。
※本べースを使わない場合、ご自身でベースを作り、エンジンモデルを固定することは可能です。

株式会社Emu-Oneについて
Emuとは、フランス語で感動という意味です。Oneは1つという意味。
[Emu-One]は1つの感動を皆様にお届けしたいという思いが込められています。
Toyan Engine FS-S100AT に関しての初期不良の交換や商品保証、ご購入後のアフターサービスも行いますので、安心してご利用ください。
また何か意見やアドバイスが有りましたら、是非以下のメールアドレスまでご連絡ください。
contact@emu-one.com
今後も良い商品の開発&企画、また海外の商品を日本に紹介していきます。
※今後のスケジュール(リターン、特典)など、随時ご報告しますので、LINE公式へのご登録お願いいたします。

★LINE公式:https://lin.ee/KDBNYFC
(ワンタップで登録可能)
Toyan Engine (トヤン エンジン)
中国・深圳に工場を持つ、ミニチュアエンジンとモデルシミュレーションカーの設計、研究開発、生産を一体化した会社です。
モデルエンジン技術に関する深い知識・経験を持っております。熱意と誠意をもって、エンジン好きな方の為に日々製品開発に取り組んでいます。
株式会社Emu-oneは Toyan Engine FS-S100AT の日本正式総代理店です。
Q:接続道具一式はなにか入っていますか?必ず必要でしょうか?
A: 接続道具一式は以下の道具が入っています。
→1.5mm 六角ドライバー x1
→2.0mm 六角ドライバー x1
→2.5mm 六角ドライバー x1
→3.0mm 六角ドライバー x1
→2.0mm プラスドライバー x1
→7.0mm プラグ固定用レンチ
冷却ファンを本体に固定する時など道具が必要です。ネット上やホームセンターなどでも購入可能です。
エンジン単体のみを購入した方には、道具が必要かどうかをご自身で選んでいただけます。
またエンジンモデルを稼働させるために必要なパーツが全部揃ったリターンを購入した方には、
接続道具一式はすでに入っています。
Q:エンジンを置くベースは必ず必要でしょうか?
A:エンジン稼働中は振動している為、固定用ベースを準備することをお勧めしています。
ベース単体のリターンもご用意していますが、DIY好きな方は、ご自身で木などを切りベースを作り、ネジでエンジンを固定することも可能です。
Q:エンジンモデルを稼働させるために必要なパーツはどんなものがありますか?
A:ESC(Electoronic Speed Control)、CDI(Capacitor Discharge Ignition)、2 x 7.4vバッテリー、オイルタンク、オイルチューブです。
エンジンモデルを稼働させるために必要なパーツが全部揃ったリターンの購入をお勧めしております。
また、2 x 7.4vバッテリーや燃料はご自身で準備してください。
(ネット上やホームセンターなどで購入可能です。)
Q:1リットルの燃料でどのくらいエンジンをかけられるのですか?
A:通常速度で約4時間稼働します。
Q: 本エンジンモデルの気筒は何個ありますか?
A: 単気筒となります。
Q:4ストロークのメリットは何ですか?
A:低燃費、安定したアイドル回転数、低振動、低騒音、低排出ガス汚染で、シミュレーションモデルにも最適です。
Q:エンジンエアドアでのオイル・エア吹き付け現象が発生します。
A:ロッカーアームとバルブカバーのクリアランスが大きすぎるため、吸気バルブに隙間ができています。クリアランスを小さくすることで解決します。
Q:点火プラグはついていますか?
A:はい、点火プラグはついております。
Q:7.4Vリチウム電池 x 2はついていますか?
A:7.4Vリチウム電池はついておりません。ネット上やホームセンターで簡単に購入することができます。
Q:燃料はどこで買えますか?
A:ラジコンネットショップやホームセンターで簡単に購入できます。
また本モデルは、混合ガソリンもしくはメタノール燃料、両方使用可能です!
Q:おすすめの燃料はありますか?
A:混合ガソリンがおすすめです。メタノール燃料に比べ燃料代が安く済みます。
また自作する場合、レギュラーガソリン1,000㎖(1ℓ)に対し2サイクルエンジンオイル40㎖を混合しても使用可能です。
Q:エンジンモデル本体の組立は必要でしょうか?
A:エンジン本体は完成品をお届けします。
Q:説明書は日本語でしょうか?
A:英語となります。接続方法については動画で後日ご案内致します。
Q:回転数を調節できますか?
A:ネット通販等で販売されている模型用ギヤ、又はプーリーを購入して調節して頂くことで可能です。
Q:エンジンの日常メンテナンス作業はありますか?
A:Toyan Engineのホームページには、具体的なやり方を記載していますので、そちらを参考にしてください。
https://toyanengine.com/article-a00022a1.html
・ 保守部品も販売予定です。
尚、保守部品は当社でお買い求め頂きましたお客様限定販売です。
・クランクケースからの廃液は、耐油ホース接続し廃油処理をしないと周辺が油まみれになりますので油回収用の小さいボトル等をご準備ください。
・エンジン駆動での排気ガス、音、油の匂いが出ますので室内使用時には十分ご注意ください。
・運転中に冷却ファン、駆動ベルト等に手を触れないでください。また火傷を防ぐために、エンジン部位に触れないでください。
・燃料は目や口にいれないでください。お子様の手の届かない場所に保管してください。
・燃料は火気厳禁です。
・換気の悪い場所で運転しないでください。
※ご注文状況、使用部材の供給状況、製造工程上の都合等により出荷時期が遅れる場合があります。また、一部外観や仕様が変わることがあります。
※お届けができず弊社に戻ってきてしまった場合は、再配送費用をご負担いただく可能性がありますことをご了承ください。
※使用感等に関する返品・返金はお受けいたしかねます。
※この商品は量産済みではありますが、製品改良などの必要な仕様の変更が発生する可能性があります
※生産国:中国
配送は中国より日本の倉庫に届き、その後日本国内で検品した後、佐川急便での配達となります。配送時期は2022年6月下旬頃を予定しております。
■サポート体制
クラウドファンディングプロジェクト期間中、及び販売後も
保証期間に限り株式会社Emu-Oneにてサポートいたします。
対応言語は日本語となっております。取扱説明書(英語)
保証期間:一年間 (エンジン本体)
尚、使用中の破損に関しては保証外となりますので、必ずご使用前に動作確認をお願いします。
■資金の使い道
サポーターの皆さまからご支援いただいた資金は、次の用途で大切に活用させていただきます。
・商品の仕入資金・輸送・サポーターの皆さまへの配送費
・CAMPFIRE手数料
・Toyan Engine FS-S100ATをより多くの方に知っていただくためのプロモーション費用
・メーカーの優れた商品を日本にもっとご紹介するのに必要なマーケティング費用
などに使わせていただきます。
皆さまからのご支援を力に変え、より良く楽しい商品を送り出せるような体制作りとして役立たせていただきます。
<募集方式について>
本プロジェクトはAll-or-Nothing方式で実施します。目標金額に満たない場合、計画の実行及びリターンのお届けはございません。
最新の活動報告
もっと見る
4ストローク本格エンジンモデル/(接続動画付き)接続について
2022/06/17 12:10支援者の皆様この度は「4ストローク本格エンジンモデル」のプロジェクトをご支援いただきありがとうございます。接続について2つご案内いたします。①接続動画メーカーより共有がありましたので、ご案内いたします。https://youtu.be/No179OuAFIgコードの色は全て黒になっております。順番通り接続し、逆回転したら正常です。②T字型プラグについて以前、ご案内した接続動画(こちら)の1分39秒のところにある、T字型プラグはお客様自身でご購入いただきたい部品でございます。オススメの商品はこちらでございます。https://www.amazon.co.jp/dp/B07BHCFXJZ?ref_=cm_sw_r_cp_ud_dp_Q845XHD5CNBP1TBEJ3KJ引き続きよろしくお願いいたします。株式会社Emu-One もっと見る4ストローク本格エンジンモデル/【最新】バッテリーと接続について
2022/06/09 20:19支援者の皆様この度は「4ストローク本格エンジンモデル」のプロジェクトをご支援いただきありがとうございます。接続の仕方とバッテリーについてご質問をいただきましたので回答いたします。まず、接続ですが故障のおそれがございますので「+とー」を間違えないように接続をお願いいたします。なお、接続の仕方ですが現在お客様の声を受け、説明用の動画作成をメーカーに依頼中でございます。仮ではありますが、類似製品の接続について説明する動画を共有いたしますのでご参考にしていただけると幸いです。1.https://youtu.be/3vS923VPyy82.https://youtu.be/ltfodLHd5Qg3.https://youtu.be/8lOllFWv30Y4.https://youtu.be/PF6QT7uRFlg (日本語説明付き)また、バッテリーにつきましては下記製品をおすすめしております。110Cでも問題なく作動いたしますが、50Cのほうがより安全でございます。https://amzn.asia/d/15iMohiよろしくお願いいたします。 もっと見る4ストローク本格エンジンモデル/お問い合わせの進捗について
2022/06/09 12:13支援者の皆様いつもお世話になっております。株式会社Emu-Oneでございます。この度は「4ストローク本格エンジンモデル」のプロジェクトにご参加いただき誠にありがとうございます。現在、お寄せいただいたご質問に関してはメーカーに確認中でございます。お待ちいただくこと、何卒ご容赦のほどお願い申し上げます。なお、英語と中国語の対応限定とはなってしまいますが、メーカーの技術サポート用メールアドレスに問い合わせすることも可能です。wholesale@toyanengine.com接続の案内動画については引き続き作成中でございます。よろしくお願いいたします。 もっと見る




















コメント
もっと見る