

これまで、ホテルにあるようなボリュームのあるタオルが良いタオルとされてきました。
ですが、ボリュームのあるタオルを使っていて、その収納スペースに困ったことはありませんか?
洗濯に必要な水の多さや、乾燥時間の長さが気になったことはありませんか?
機能性に富んでいて、その上ふわふわ柔らかいタオルがあったら…。
"薄くて" "軽い" TSUMUGUタオルで、お悩みを解決!!
棚の下から引っ張り出して使いたくなるほど心地いい、PESSのTSUMUGUタオルの魅力を知ってほしい。
TSUMUGUタオルは2021年のローンチから日本、アメリカ、台湾のクラウドファンディングを実施。
多くのご支援を頂き、大好評を頂いております。
また、現在も海外代理店契約を結ぶなど拡大は止まりません!
この度、CAMPFIREのユーザー様にもその良さを知って頂くべく、プロジェクトを実施することを決めました。
支援金額累計950万円以上!

01.軽くてコンパクト
自社従来品タオルとの比較
自社従来品の綿タオルと比較して、収納スペースがおおよそ半分に。
薄くて軽いタオルを使えば日々の暮らしに開放感が生まれます。
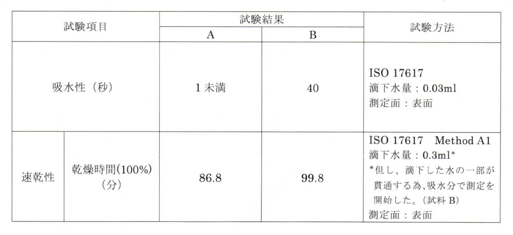
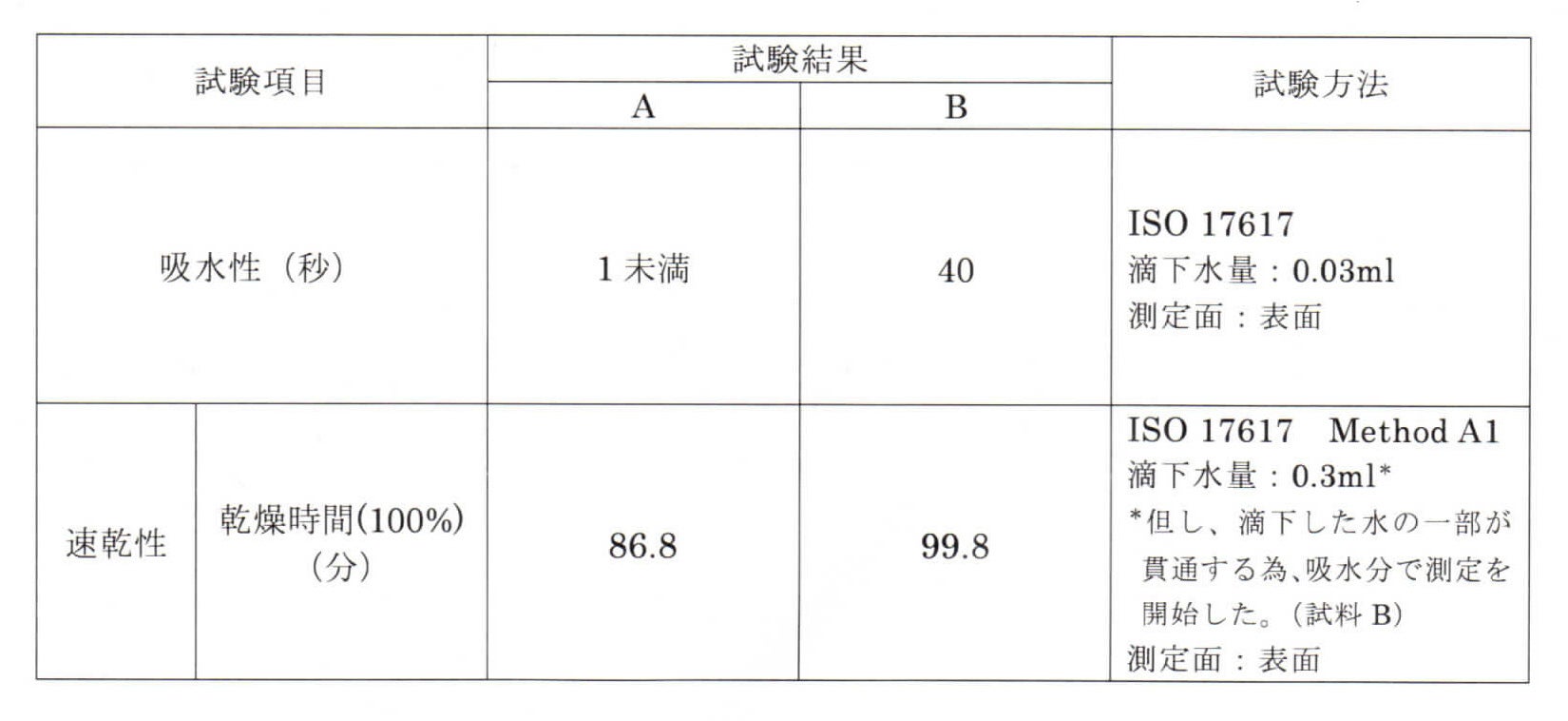
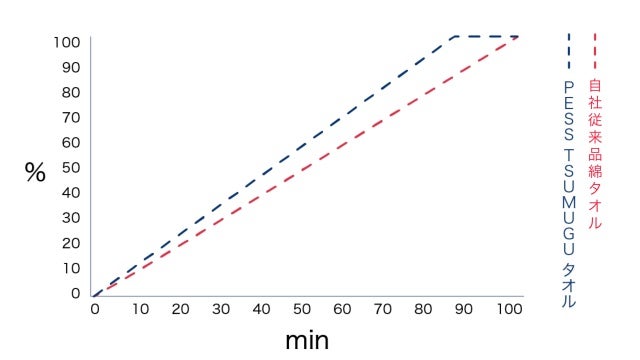
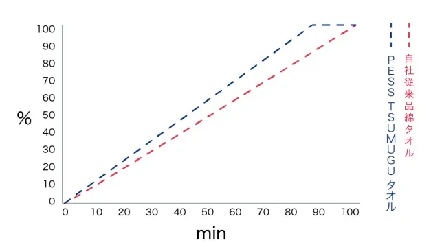
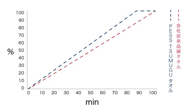
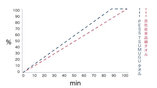
02. 吸収性と速乾性に優れた高機能タオル
左:TSUMUGUタオル 右:自社従来品
抜群の吸水性で水に触れた瞬間吸水をはじめます!
国内検査機関にて、吸水性・速乾性の試験を実施。自社従来品綿タオルとの比較において高い吸水性、速乾性を実証しています。

吸水にかかった時間(秒)TSUMUGUタオル|1秒未満 自社従来品綿タオル|40秒
乾燥にかかった時間(分)TSUMUGUタオル|86.8分 自社従来品綿タオル|99.8分

03.天然素材にこだわったものづくり

素材は綿を使い、生産においても天然糊を採用するなど環境に配慮しながら高機能、高品質な商品を作る事にこだわっています。
04. やわらかい肌触り

薄手のタオルでありながら、ふわっと包まれるような柔らかい質感を実現。その上質な肌触りを体感してください。
05. 制菌加工で清潔に

長く清潔にお使い頂けるよう、菌の発生を抑える制菌加工(SEK)を施しています。(業務用途として洗濯50回以上にも対応)。

TSUMUGUタオルはミニマリストおふみさんに監修頂いています。
商品の企画段階からご参加いただき、今回のタオルの色を決めていただきました。
その価値を理解して頂ける方とともに、ものづくりをもっとオープンなものにしていきたい。そんな想いで、おふみさんにご参加頂いています。
おふみさんコメント

タオル制作秘話

新著 【小さな暮らしは生きやすい】は大好評発売中です。
おふみさん 各SNSはこちら
Instagram / BLOG / YouTube


①なぜ吸水力が抜群なの?
その秘密は、日本の泉州地域で作られるタオルの特徴的な製法、「後晒し」にあります。糸に付着した不純物や、タオルを織る際に糸につけた糊を綺麗に取り除くので、「吸水力」が高く、とても清潔感があります。


「後晒し」では、糸の中に残る糊・不純物を洗い流すことができます
泉州タオルの「後晒し製法」では、タオルが織りあがり形になった後に染色し洗いをかけることで、糸に付着した不純物を綺麗に取り除く事が出来ます。
通常、素材の綿糸はタオルを織りやすくするために、糊やロウなどで強度を高め、滑りを良くします。そのために織りあがったままのタオルは水をはじき、吸水性が悪い状態ですが、後晒しのタオルは糸に残る糊や不純物を洗い落とし、吸水性が高く清潔感があるタオルになります。
②なぜ薄いのに、軽くて柔らかいの?
TSUMUGUタオルは泉州タオルの中でも、通常のタオルより細い番手の糸で作られています。

細い糸で作られることで肌あたりが柔らかく、毛穴に入り込むような優しい質感のタオルを実現しています。細い糸を使いながらも高密度で織り上げているので、すぐにへたるようなことはなく、長くご愛用いただけます。
薄いタオルのメリット
乾きが速く、洗濯時に使用する水の量が少なく済むなど、日常使いにおいても地球環境に優しいECOなタオルです。

細い糸で織りあげるという事
一般的なタオルに使われる半分の太さ(40番手)の糸を使用している為、織り機の調整が緻密で難しく、そのテンション管理においても独自の技術が必要です。
機械で織られていても、熟練の職人の手の技術がなければ、軽さ、柔らかさ、薄さを兼ね備えた繊細で絶妙な風合いを実現する事は出来ないのです。
TSUMUGUタオルは高い職人技術に裏打ちされた商品です。

PESSブランドは日本の高品質なものづくりを未来へ繋ぐべく、本当に良いものを追求したものづくりを行っています。
実際に国内工場を訪ね、職人の方達と触れ合いながら精度の高い商品開発することをモットーとしています。

私たちPESSブランドは、日本の職人技術を生かした商品開発を通して世の中に貢献することを目指すプロジェクトチームです。2020年よりクラウドファンディングを活用したものづくりをはじめ、国内外のプラットフォームで順調に実績を積み上げてきております。

TSUMUGUタオルは、日常生活に欠かせないタオルをより親しんで使ってもらうために独自の品質基準をクリアして作られた日本製タオルです。
国内のタオル産業は安価な輸入タオルに対抗すべく、高付加価値・高品質タオルによるブランド戦略を推し進め、産地ブランドが国内で評価されるようになっています。今回はその中の大阪、泉州タオルの製造業者との御縁でTSUMUGUタオルの商品化が実現しました。
綿から糸を作りだす言葉の「紡ぐ」の意味から、技術を盛り込み大切に作られている今回のタオルをTSUMUGUタオルと命名しました。
この商品がものづくりを未来に繋ぐ商品になるようにとの願いも込めています。
私たちが作っています!

今回商品開発、製造をお任せしているのは金野タオル株式会社。
「世界のタオル業界をリードする企業を目指し、お客様に満足いただける商品提供を心がけ、常に社会貢献に努める」ことを企業理念としている、ものづくりに妥協を許さない製造業者です。
一見すると、その差を感じにくいタオルというものにかける生産者の情熱、プライドに、TSUMUGUタオルを使うことで触れて頂きたいです。
日本のものづくりを未来につなぐ

PESS Co.,Ltd.
中川 博文
PESSブランドを立ち上げたきっかけは、兵庫県・姫路にある革の工場見学に参加したことでした。高品質で丁寧なものづくりをしている製造業者が、日本国内では衰退の危機にあり、本当に良い商品が市場で安く買い叩かれたり、海外の廉価製品に取って代わられたりと、市場がコスパを求めてきた結果、日本の良い仕事、良い商品が失われていっている。そんな状況を変えたいと思い、D2Cのものづくりを始めました。
日本で作られる高品質な商品を、その価値を理解して頂ける消費者様に大切に届ける仕組みを作りたい。そうした思いからクラウドファンディングを通したものづくりを続けています。本当に価値あるものを求める日本の、そして世界中のユーザーの皆様と共に、日本のものづくりを未来につなぐ取り組みを行っていきたいと考えています。

吸水性が高く、薄くて乾きやすいTSUMUGUタオルは、日常使いに適しています。
軽くて持ち運びたくなる心地よさなので、スポーツジムやランニングなどアウトドアでも活躍します。

薄くコンパクトなので収納スペースに困りません

洗濯後早く乾くので、 目まぐるしく過ぎる現代のライフスタイルにマッチ

軽く携帯しやすいのでスポーツ・ランニング用のタオルにもぴったり


フェイスタオル&バスタオルの2種
3色展開
ホワイト / グレー / ブルー



スペック

副資材

タオルを構成する洗濯ネームやパッケージはエコなリサイクル材を使用しています。
お中元やお歳暮のような季節毎の贈り物としてだけでなく、日常の中で気軽に上質なタオルを贈る文化が出来れば素敵だなと考え、一枚一枚パッケージングしています。
是非身近な大切な人へのギフトにもご利用ください。
※パッケージデザインは↑のものから変更になる可能性がございます。

環境配慮
泉州タオルの工場では、CO2削減に向けた活動に取り組みを行なっています。天然のりを主に使用し、サイジングまたはのり付け、製織、のり抜きの一定の工程で、化学薬品を使用しないタオルを生産いたします。染色工場では、「バクテリアで水を浄化する方法」で水の浄化処理を行い、汚水を排出しないようにしています。環境対応商品を創出し、環境保全に努めていくことを地域全体で取り組んでいます。

超早割枠 30~20%OFF
早割枠 15%OFF
CAMPFIRE割枠 10%OFF

5/2(月) プロジェクトスタート
6/5(日) プロジェクト終了
プロジェクト終了後、資材調達を開始し、生産を進めて参ります。
8月下旬~ 順次商品発送
※応援購入数が想定を上回った場合に発送予定日が遅れる場合がございます。

『環境を守り、職人の技に光を』という理念のもと、皆様に愛されるような新商品を開発していく為の費用に充てさせて頂きます。

はじめまして、株式会社PESSの中川と申します。
タオルなんて体を拭ければ何でもいいと思っていた私ですが、TSUMUGUタオルを使い始めて半年が経過し、我が家の棚にはTSUMUGUタオルしかなくなりました。
薄く、軽いタオルは、使い心地はもちろんですが、その使い勝手の良さから日々の生活に快適さをもたらしてくれるはずです。
棚に並んでいる中の、下の方から引っ張り出してでも使いたくなる、そういう日々の彩をTSUMUGUタオルを使うことで感じて頂きたいと考えています。
そして、それを支える日本の職人の技術や熱意を感じて頂けたら幸いです。
是非TSUMUGUタオルをお試しください。
最後まで読んでいただきありがとうございました。
<募集方式について>
本プロジェクトはAll-or-Nothing方式で実施します。期間内に目標金額を達成した場合に限り、計画を実行し、リターンをお届けします。
最新の活動報告
もっと見る
TSUMUGUタオル新プロジェクトのお知らせ
2024/09/02 12:00みなさまこんにちは、TSUMUGUタオルプロジェクトチームです。9月4日 11:00より、TSUMUGUタオルはmachi-yaで新たなプロジェクトを公開いたします!今回のプロジェクトでは新たにパープルとグリーンの新色2色を追加しました。今回もお得な割引価格をご用意しておりますので、この機会に是非ご購入ください!下記URLのお気に入りボタンを押していただくと、プロジェクトの公開をメールで通知させていただきますので、お気に入り登録後プロジェクトの公開をお待ちください。https://camp-fire.jp/projects/view/770819TSUMUGUタオルで皆様の生活を快適にするお手伝いが出来れば嬉しく思います。よろしくお願い致しますm(_ _)m もっと見る【TSUMUGUタオル】新プロジェクト公開しました。
2023/07/19 12:58こちらの活動報告は支援者限定の公開です。TSUMUGUタオル 間もなくみなさまへお届けします。
2022/08/06 17:00こちらの活動報告は支援者限定の公開です。







コメント
もっと見る