はじめに
初めまして!!2025年度立命館守山高校文化祭実行委員長です!このページを閲覧いただきありがとうございます!
本校は、毎年9月上旬に文化祭を開催しており、地域の方々や遠方の方など延べ11000人以上の来場者を誇る、関西最大級の文化祭です。
しかし!!!!
昨年度から本校文化祭(以下、あすなろ祭)では、200万をかけて依頼していたステージが予算の関係で作成できなくなってしまいました。
「僕たちはあのキラキラと輝く青春の中心にあった中庭ステージを、次は自分たちの手で作りたい!!!!」
その一心で設計に取り組んできました。しかし!!ここで自作ステージするにも予算が足りないことが発覚、、、ここで、皆様にお力を頂けないかとページを掲載させていただくに至りました。
本校文化祭について
本校文化祭は、「ゲスト・ファースト」を第一のポリシーとしており、ゲストに最高のあすなろ祭を体験してもらえるように、我々あすなろ祭実行委員会は毎日会議を重ね、どのような企画ならゲストに満足していただけるか、校内の動線や配置、装飾、環境などを整えるための準備を進めています。
ゲストだけでなく、学校の教育的意義をもつ行事として、生徒の成長を最優先に考えています!生徒の成長の一助として、一般開放しゲストに対する他者意識を高め、生徒が教員の手を借りず作り上げた文化祭で、生徒の成長のきっかけを作る文化祭にしたいと考えています。
本年度あすなろ祭の最上位目標は「あすなろ祭における協働的な関係の中で対話・創造を通じて自らの"当事者意識"を育む。」であり、この最上位目標は教員主体でなく、文化祭実行委員長である私を始めとする、生徒全員で作成したものです。この最上位目標に立ち返り、生徒全員がこの目標を達成するために文化祭に向かって準備を進めています。
文化祭は本校にとって最大の行事であり、この行事を楽しみに心待ちにしている生徒や、地域の方々などもおられます。その文化祭における顔とも言える中庭ステージはやっぱりまず生徒が満足できるものを作りたい!そのため、本年度では今まで業者に依頼していた中庭ステージのクオリティを、自分たちの力だけで作ろう!というプロジェクトが進み、着々と準備していましたが、ここで予算が足りないことが発覚、、、
このプロジェクトで実現したいこと
2025年度あすなろ祭で中庭ステージを自作して、今までのような、いや、それを超えるクオリティのあすなろ祭を作りたい!!
本校が重要としている考え方に、「生徒自治」というものがあります。僕たちの作るあすなろ祭は一から生徒が考え、生徒だけの力であすなろ祭を作り上げる。これが我々の最も重要としている考えなのですが、例年の業者の依頼は生徒自治じゃない!と気づき、それなら作ってやる!!と僕たちは今までのステージの盛り上がりを自分たちの力で実現したい!と、ステージ設計が始まりました!
そのため、教員や大人の技術を直接借りずに、自分たちのやりたいことをやりたかったのですが、、、予算というものには流石に立ち向かえず、、、
お金という大人の力を皆様にお借りし、一緒に文化祭を作りたいです!
あすなろ祭では、中庭ステージ・クラスプロジェクト・市民ホールプロジェクトの三つの主な企画から成り立っていました。しかし、予算の関係で昨年度(2024年度)からあすなろ祭の中庭ステージの業者への依頼を止め、 自分たちで作成しました。
そのステージがこちら。
真ん中で歌っているのは今この文を書いている文化祭実行委員長本人です。
自作ステージならではの良さも当然あるのですが、あまりにも集客の差が、、、
さらにクオリティも格段に、、、昨年度にかけた予算は8万ほど。
今までの業者に依頼して作成してもらっていたステージはこちらです。

明確に違う。。。。
この青春の中心にあるこのステージを、僕たちは自分たちの力だけで作りたい!!!!
プロジェクト立ち上げの背景
当初は、文化祭予算の中で作成する予定でしたが、なんと試算だけで150万。このままでは他のあすなろ祭に使用する予算が足りなくなってしまいます。そのため、苦渋の判断ではありますが、皆さんのお力をお貸し頂けないかという思いでこのプロジェクトを立ち上げました!
現在の準備状況
ステージ設計を行い、現在ステージを試作中です!!
その他のあすなろ祭への準備も着々と進んでいます!
ステージ予算
階段 298,507 円
バック背景
ベニヤ 10 枚
角材2 m 25 本
角材 1.5 m 15 本
90 cm 2 本
70 cm 10 本 201,850 円
単管パイプ
1m 48 本 271,920 円
2m 42 本 475,860 円
5m 6 本 169,950 円
部品
ジャッキベース 30 個 55,800 円
B-4Y 16 個 50,160 円
C-4K 16 個 84,448 円
A-3Y 4 個 14,520 円
B-3K 16 個 56,848 円
B-2T 16 個 55,968 円
F-1S 36 個 30,888 円
D-1SB 180 個 233,820 円
合計 2,000,539円
その他の予算を、支援者様への返礼品・その他ステージ、階段等へのクオリティアップへの予算に充てます。また、250 万円以上集まった場合は、支援者様へもう一度メールにてお知らせし、楽器類の購入に充てるもしくは来年の文化祭のクオリティアップに使用させていただきます。
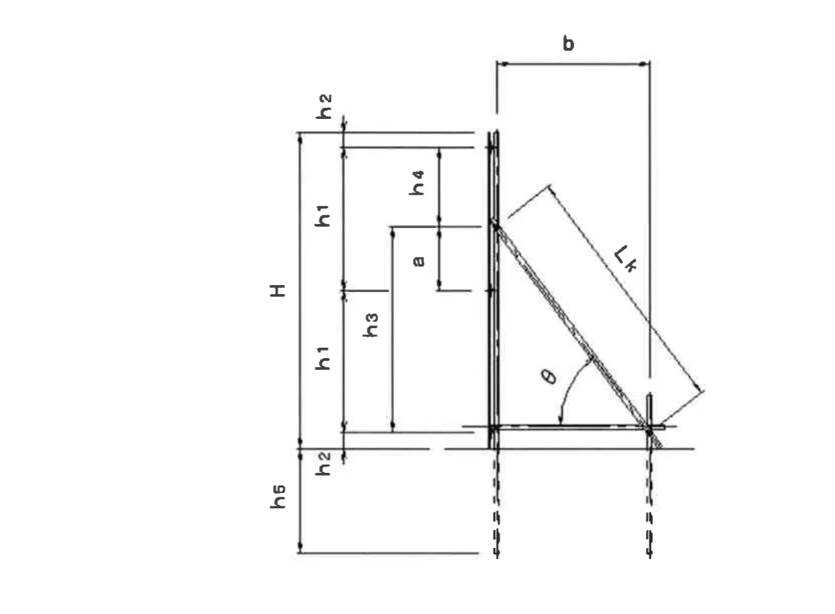
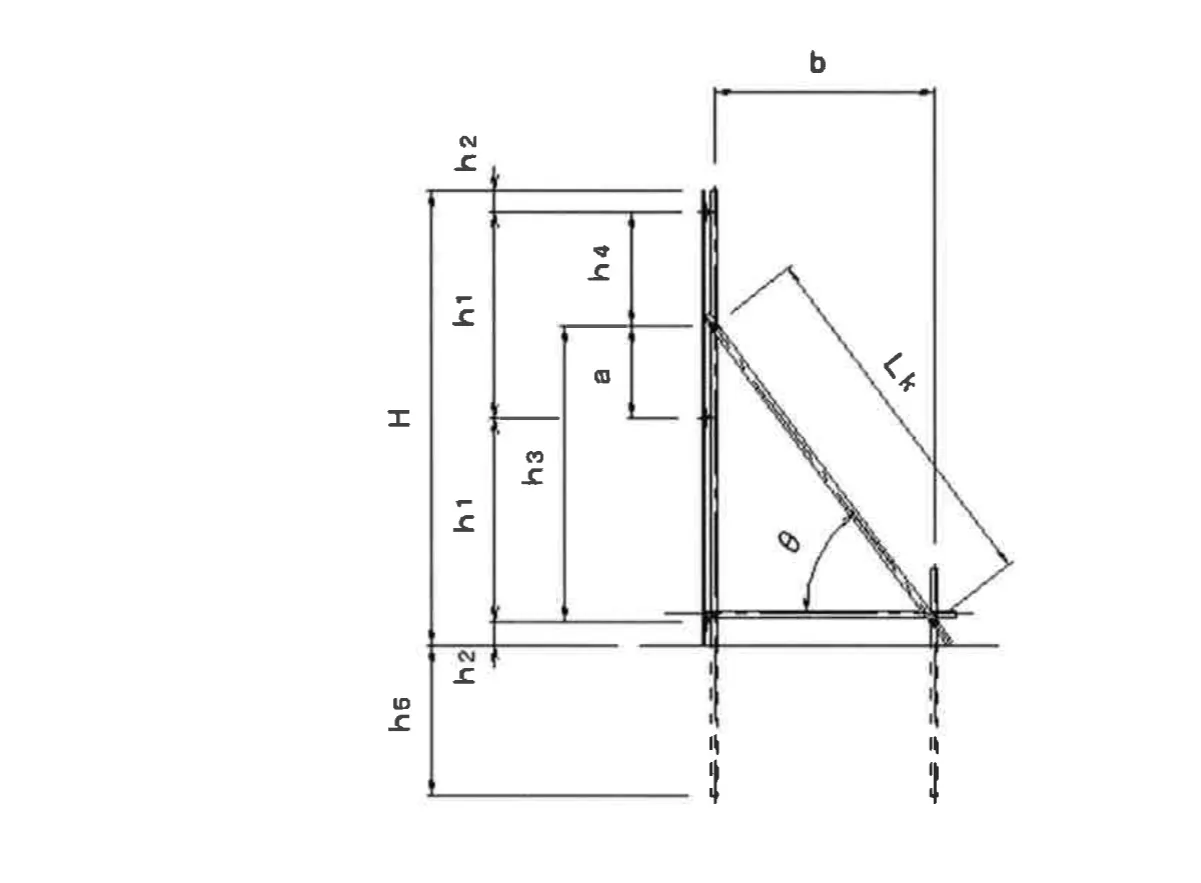
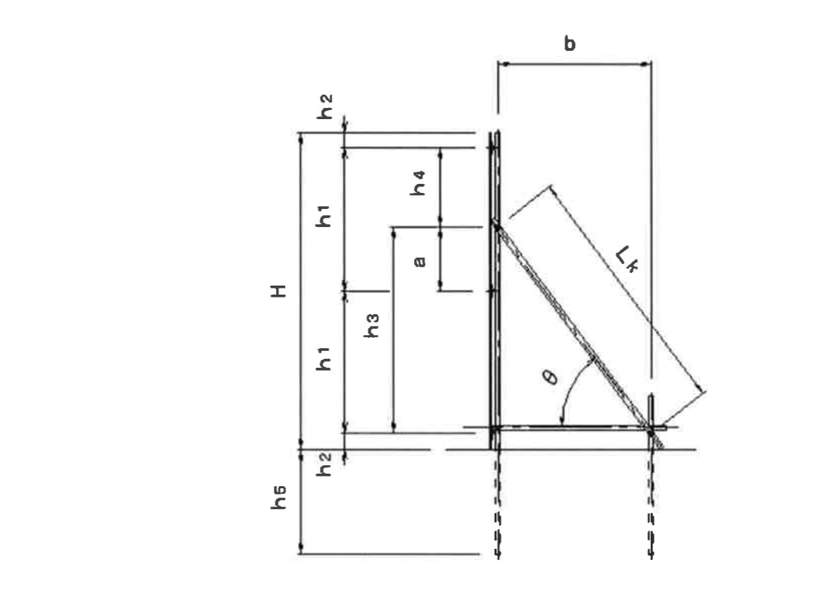
ステージ設計図
ステージの全体
バック背景

耐久性について
やっぱり設計素人の学生が作るステージ、耐久性が心配ですよね…。そこで、私たちはステージの一部を仮設計し、実際に乗ってみました!その様子がこちら!
この画像では4人しか乗っていませんが、実際5人まで乗れることを確認しています(6人以降は試していないです)。この画像と同じもの(外枠のパイプは追加します)を計25セット作るので、さらに耐久性の上昇が見込まれます。
それでもまだ不安…。そこで!!学校の保護者の方々に設計について詳しい方を募集し、強度や設計について意見を募ることにしました!保護者だけでなく、もしこのクラウドファンディングに協力してくださるみなさんの中に、設計が得意だよ!という方がいらっしゃたら、募集の備考欄備考欄からお伝えください!(こちらから支援者様のメールアドレスに連絡させていただきます)
現在三名の保護者様に協力していただき、現在の設計図に至りました!本当に感謝です!
リターンについて
・500 円 生徒からのお礼のメール
・800 円 生徒からのお礼のメール 生徒会出店の交換券1 枚
・1000 円 生徒からのお礼のメール 生徒会出店の交換券3 枚 文化祭優先入場
・3000 円 生徒からのお礼のメール 生徒会出店の交換券5 枚 アトラクション課体験チケット
文化祭優先入場 中庭で流す音楽を5曲選択可能
・5000 円 生徒からのお礼のメール あすなろ祭HP にてお名前の掲載 生徒会出店の交換券8 枚 アトラクション課体験チケット 文化祭優先入場
・8000 円 生徒からのお礼のメール あすなろ祭HP にてお名前掲載 生徒会出店の交換券10 枚 アトラクション課体験チケット 文化祭優先入場
・10000 円 生徒からのお礼のメール あすなろ祭HP にてお名前の掲載 生徒会出店の交換券12 枚 アトラクション課体験チケット 文化祭優先入場
・30000 円 生徒からのお礼のメール あすなろ祭HP にてお名前の掲載 生徒会出店の交換券15 枚当日生徒会執行部があすなろ祭をガイド
・50000 円 生徒からのお礼のメール あすなろ祭HP にてお名前の掲載 生徒会出店の交換券20 枚 文化祭実行委員長と対談 文化祭優先入場
・100000円 生徒からのお礼のメール あすなろ祭HP にてお名前の掲載 生徒会出店の交換券25 枚 文化祭実行委員長と対談 生徒会執行部が着用しているスタッフTシャツ(SS〜5L)提供 文化祭優先入場
あすなろ祭について
・日時:2025年9月14日(日)、15日(月) 9:00~16:00
・場所:滋賀県守山市三宅町250番地 〒525-8577 立命館守山中学・高等学校
・支援者様の交通費や滞在費:支援者様の交通費等は各自でご負担ください。
・支援者様との連絡方法:詳細はメールで連絡します。
チケット類について
・ご利用方法:チケットをこちらからメールにて送信させていただきます。あすなろ祭当日そちらを受付でご提示いただけるとご利用いただけます。
・有効期限 9月14日(日)9:00から9月15日(月)16:00まで(あすなろ祭開催期間中にのみご利用いただけます)。
お名前の掲載について
・掲載期間:2025年9月上旬(掲載開始時に連絡させていただきます)から、HPが存続する限り掲載
・掲載方法:文字のみ表示。あすなろ祭HPのリンクはメールに添付させていただきます。
・注意事項:支援時、備考欄に掲載を希望されるお名前をご記入ください。
お礼のメールは10月、引換券は8月にメールにてお送りさせていただきます。
生徒会出店で使用できる交換券は、当日購入すると350円分になります!!
中々な混雑が予想されるので、ご協力いただくことで出店チケットを事前購入というのも一つの手かも!?
スケジュール
中庭設計についてのスケジュールです!現在も着々と準備が進んでいます!
2024年11月 中庭課課長決定、ステージ設計を始める
2025年2月 中庭ステージ自作の企画書が承認
2025年3月 ステージ設計概案完成
2025年4月 ステージ試作開始
2025年6月 ステージ使用資材発注
2025年7月 ステージ作成
2025年8月 ステージ作成
2025年8月末 ステージ完成
2025年9月14,15日 第20回あすなろ祭
最後に
最後まで読んでいただいてありがとうございました!!
皆さんの協力のもと中庭ステージを完成させ、あすなろ祭にふさわしい最高のパフォーマンスを皆様にお届けします!そのためにも皆さんのご協力をお待ちしております!!9月14日(日)、15日(月)のあすなろ祭もぜひお越しください!当日の支援もお待ちしております!
冒険に伝説のステージを!!!





コメント
もっと見る