現場で “ちょうどいい” 計装電流測定モジュール
本製品は、現場の技術者・設計者・研究者の方々に向けて開発した計測モジュールです。
手のひらサイズの小型軽量でありながら、計装電流を高精度に測定します。
心臓部のA/Dコンバータには24bitを採用し、実効分解能18bit以上の安定した高精度測定を実現。USBに接続するだけで、センサや計測器への電源供給とパソコンへのデータ取り込みが可能です。
現場や実験での “ちょっと測りたい” 用途から、計測システムの入力モジュールとしての利用まで幅広く対応します。長年の計測システム開発で培ったノウハウをもとに、痒いところに手が届く設計としました。

高精度・絶縁・電源内蔵 ー 現場仕様の計測モジュール
☆ 24bit A/Dコンバータを採用
⇒ 実効18bit以上の高精度測定を実現
24ビット高性能A/Dコンバータを採用。50/60Hzのノッチフィルタと相まって、安定して実分解能18ビット以上の精密な計測が可能です。
☆ 完全絶縁
⇒ ノイズに強く、安全な測定環境を実現
入力部をUSBから完全に絶縁して、安全性を高めると共に、外部から回り込むノイズの影響を最小限に抑えています。
☆ センサ駆動用24V電源内蔵
⇒ 外部電源なしでセンサや計測器の駆動が可能
センサや計測機器の電源用に24V電源を搭載しています。もちろん、この電源もUSBとは完全に絶縁されています。
パネル操作やPCからのコマンドでON/OFFが可能ですので、必要なときだけ電源を供給して省電力化を図れます。
☆ スタンドアロン動作対応
⇒ PCなしでも計測やデータ収集が可能
本機単体で計測動作やデータ収集が可能ですので、モバイルバッテリを使用すれば、PCや電源のない環境でも計測やデータのロギングが行えます。
現場での動作確認やデータ収集にとても便利です。
☆ 国内メーカー製電源
⇒ センサ用電源には信頼性の高い国内メーカー製を採用
大切なセンサへの供給電源は、信頼性の高い国内メーカー製の電源を採用しています。
また、過電流保護に加え、逆接続保護回路を備え、万一の配線ミスにも対応した安心の設計です。
☆ DINレール取付対応
⇒ 盤内への組み込みもワンタッチ
背面のスナップ機構によりDINレールへワンタッチで取付可能ですので、制御盤への組み込みや現場設置も簡単に行えます。
木ねじやビスで取り付ける場合も、本体のベース部分が簡単に外れて分解できる構造のため、位置合わせなどの作業も簡単に行えます。

主な仕様

詳細仕様について
より詳細な仕様につきましては、以下の製品カタログ(PDF)をご参照ください。
TSA-U24 製品カタログ:tsa-u24-cat-0143-25k1.pdf

なぜこのプロジェクトが必要なのか
現場では、「もっと手軽に、でも信頼できる計測器はないか」という声を数多くいただいてきました。
高機能な計測器は高価で大がかりになりがちで、実験や現場での “ちょっとしたデータ取り” には扱いにくい場面が多くあります。
一方で、安価な海外製品では信頼性やサポートに不安が残ります。また、システムに組み込めるモジュールでありながら、単体でもそのまま使える計測機器はほとんど存在していません。
こうした現場の課題を解決するために、本製品の開発に取り組みました。
私たちの解決方法
現場で使える計測器を一から設計し直し、現場で求められる「手軽さ」と「信頼性」を両立させました。
USB接続による仮想シリアル通信(VCP)を採用し、Windows/macOS/Linuxといった主要な環境で、接続するだけですぐに使用できます。また、テキストベースのシンプルな通信方式の採用により、Excel VBAや各種スクリプトからも容易にデータ取得が可能です。
24bit A/Dコンバータによる高精度計測に加え、本体操作のみで動作するスタンドアロン機能や簡易データロガー機能も搭載しました。モバイルバッテリと組み合わせることで、現場でも手軽に測定・データ収集が行えます。
さらに、TTLレベルのシリアルインターフェースも内部に備えておりますので、PLCや組込み機器との接続など、幅広い用途に対応します。(※ 要相談)
- センサと接続するだけで手軽に測定できます -
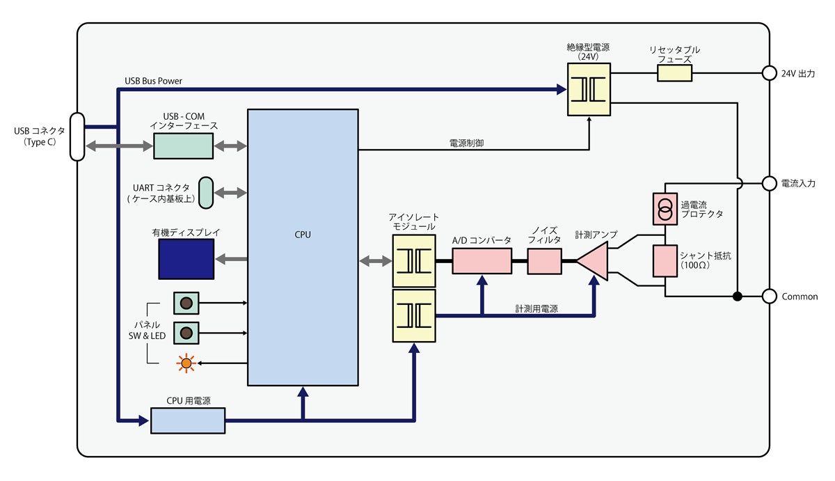
ー 本機内部ブロック図 ー
想定される利用シーンと価値
☆ 制御盤・システムへの組み込み
⇒ そのまま計測モジュールとして組み込み可能
制御盤や各種システムに組み込み、計装電流の入力モジュールとして使用できます。
小型・軽量で扱いやすく、既存システムへの追加も容易です。
☆ 実験・研究用途
⇒ 机上で使える手軽な計測ツール
実験室や研究室で、机の上に置いてすぐに使える計測器として活用できます。
USB接続だけでデータ取得が可能なため、試験や検証作業の効率化に貢献します。
☆ 現場での動作確認・トラブル対応
⇒ “工具箱に1台” の現場ツール
モバイルバッテリと組み合わせることで、本機単体で動作可能です。
運用中のセンサや装置の動作確認など、現場での迅速な対応に役立ちます。
☆ データ収集・ロギング用途
⇒ 現場でそのまま記録・後で解析
簡易ロガー機能により、定期的なデータ収集が可能です。
フィールドワークや出張先での急なデータ取得にも対応できます。
もちろん、収集したデータはPCで解析できます。
☆ 視認性に配慮した表示
⇒ 現場でも見やすい表示設計
表示には視認性を重視した独自フォントを採用しています。
暗所や視認性の悪い環境でも、読み間違いを防ぎます。
ー DINレールにスナップイン ー
- 外形寸法 -
電気用品安全法(PSE)について
本製品はUSB給電(5V)にて動作する機器であり、電気用品安全法における「電気用品」および「特定電気用品」には該当いたしません。
また、本製品に内蔵されている24V電源は、センサ駆動を目的として本機の機能の一部として実装されているものであり、単体の電源装置として提供するものではありません。
商品情報

保証・サポートについて
本製品は、出荷前に動作確認を行っておりますが、万一初期不良があった場合には、無償にて交換対応いたします。また、ご使用中に不具合が発生した場合につきましても、状況を確認のうえ、可能な限り対応させていただきます。
本製品は計測機器という特性上、ご使用環境や接続方法の影響を受ける場合がございますが、そのような場合も含めて、安心してご利用いただけるようサポートいたします。

リターン・スケジュールについて
本製品はすでにプロトタイプが完成しており、基本機能の動作確認も完了しています。
2026年8月頃より順次発送開始を予定しており、準備が整い次第、一台一台動作確認を行ったうえで、支援いただいた順にお届けいたします。支援者の皆様には、本製品を優先的にお届けいたします。
なお、支援のみのリターンにつきましては、プロジェクト終了後、順次対応を予定しております(支援内容に応じて対応時期が異なります)。
また、本プロジェクトにて製品をご購入くださった方限定で、今後展開予定の同シリーズ製品にご利用いただける割引のご案内や、ご使用後のアンケートにご協力いただいた方への特典のご提供など、ささやかではありますが感謝の気持ちを形にした取り組みも検討しております。
ご支援いただいた皆様が安心してお使いいただけるよう、丁寧な製品づくりと確実な出荷・対応に努めてまいります。
開発の背景と私たちについて
私たちケイエスケイコントロール株式会社は、計測・制御システムの開発を専門とする技術会社です。
ハードウェア・ソフトウェア・メカニックを組み合わせたシステム開発を強みとし、現場のニーズに応じたきめ細かな対応を行ってきました。
組み込みソフトウェアからセンサ・アクチュエータを用いた制御システムまで、幅広い分野で培ってきた現場経験が、本製品の開発につながっています。

最後に
国外から入ってくる価格の安い製品が市場を席巻している中で、信頼性や安全性よりも価格が優先されがちな現状に危機感を抱いています。
小さな会社が真摯に作り上げた製品が、正当に評価される世の中であってほしい。
そんな思いを込めて、この計装電流測定モジュールを世に送り出したいと考えています。
本プロジェクトを通じて、日本のものづくりの技術力と信頼性を改めて示していきたいと思います。
どうぞご支援のほど、よろしくお願いいたします。
最新の活動報告
もっと見る【お知らせ】プレスリリースを配信しました
2026/05/01 14:44本日、計装電流測定USBモジュールについて、プレスリリースを配信いたしました。▶ 現場運用に配慮した計装電流測定USBモジュールを開発、CAMPFIREで先行公開今回の製品は、現場で「ちょっと測りたい」という場面で、手軽に使え、かつ信頼性を確保できる機器を目指して開発しました。こうした取り組みを、より多くの方に知っていただければと思い、今回プレスリリースという形でも発信しています。すでにご支援いただいている皆さま、そしてページをご覧いただいている皆さま、本当にありがとうございます。引き続き、本プロジェクトをどうぞよろしくお願いいたします。 もっと見る




コメント
もっと見る