はじめに・ご挨拶
みなさんは、キャンプ場などの100V電源が得られないところでスマホを充電したい場合、どうしますか?
モバイルバッテリーを充電して持って行きますか?
キャンプ場で発電できるシステムがあったら便利だと思いませんか?
このプロジェクトでは、キャンプ場などでスマートに発電した電力を利用できる太陽光発電システムを提供します。
「SAMBA」 はSolar And Mobile Battery Assistant の略です。
なぜ「Chariot SAMBA」なのか?
みなさんは、キャンプ場などの100ボルト電源が得られないところでスマホを充電したい場合、どうしますか? モバイルバッテリーを充電して持って行きますか? キャンプ場で発電できるシステムがあったら便利だと思いませんか? みなさんに、キャンプ場で発電するシステムにはどんなものがあるか紹介します。

まずは、一般的な鉛蓄電池を用いた独立電源システムがあります。 ソーラーパネルで発電される電力が、スマホを充電する電力より大きい場合や、 日照がありスマホに接続されていない場合、鉛蓄電池に充電し、 スマホを充電する電力がソーラーパネルで発電される電力より大きい場合や、 夜間にスマホを充電する場合、鉛蓄電池が放電スマホに充電します。 このシステムは、大きな電力を扱えます。 しかし、鉛蓄電池は重く、10kgくらいあります。 持ち運ぶのは大変ですね。

次に紹介するのは、太陽電池をパススルーという機能に対応したモバイルバッテリに接続し、 そのモバイルバッテリーからスマホに充電する方法です。 この方法は、とてもシンプルで軽いです。 しかし、パススルーに対応したモバイルバッテリーが同時に太陽電池から電力を受け取り、 スマホに電力を給電する場合、 スマホへの給電は、0.5アンペア程度になってしまいます。 つまり。充電が遅いのです。

そこで、チャリオットサンバの登場です。 チャリオットサンバは、モバイルバッテリからスマホ、 太陽電池からスマホ、太陽電池からモバイルバッテリという 3つの受電経路を持ちます。 それぞれ1.5アンペア程度の速度で充電できます。
日照が強く、ソーラーパネルで発電される電力が、スマホを充電する電力より大きい場合、 スマホに優先的に給電し、余った電力はモバイルバッテリーに充電します。 スマホとモバイルバッテリー合計で3アンペアまで充電できます。 日照が弱く、スマホを充電する電力が、ソーラーパネルで発電される電力より大きい場合、 太陽電池からの電力をすべてスマホに充電し、足りない電力はモバイルバッテリーから充電します。 太陽電池からとモバイルバッテリーからと両方合わせて通常は1アンペア以上で充電します。
こちらが、太陽電池で発電される電力と各経路の充電電流の関係です。 太陽電池で発電される電力が10ワット程度までは、 ソーラーパネルとモバイルバッテリーで協調してスマホに充電します。 太陽電池からの発電量が少ないほどモバイルバッテリーからより多くの電力が供給され、 太陽電池からの発電量多いほど、太陽電池からより多くの電力が供給されます。 太陽電池で発電される電力が10ワット程度以上では、 スマホに充電される電力はすべて太陽電池により発電された電力で、 さらにその余りをモバイルバッテリー充電します。

Chariot SAMBAは、鉛蓄電池より大幅に軽く、また、 太陽電池をパススルーという機能に対応したモバイルバッテリだけのシステムより 高速にスマホに充電します。
他のシステムを使った方がよい場合もありますので、このフローチャートで、最適なシステムをご確認ください。

キャンプは1泊で、現地に夜着いて朝には出発する という方は、モバイルバッテリーを持って行けば十分です。
3人以上で行くまたはパソコンなども使う方で、大きな太陽電池と重い鉛蓄電池を持って行くのは苦ではないという方は、
12Vバッテリーを用いた通常の独立電源システムを推奨します。
スマホを充電するのは夜間のみという方は、モバイルソーラーパネルとモバイルバッテリだけで十分です。 昼間は、モバイルソーラーパネルとモバイルバッテリを直接つないでください。
こちらが、今回提供するプリント基板です。
使っている未実装のプリント基板がこちらになります。

こだわり・特徴
Chariot SAMBAにはこんなにたくさんの技術的メリットがあります。
1.鉛蓄電池がないのでランニングコストが安い。 鉛蓄電池は数年で寿命を迎えるので、使える状態を維持するのはお金がかかります。
2.鉛蓄電池がないのでシステムが軽い。 33Ahの鉛蓄電池は13kg程の重さがあります。
3.12Vの鉛蓄電池の電圧ではなく、太陽電池の電圧から直接5Vに変換するので、太陽電池からの電力を直接利用する場合は電力効率が良い。
4.太陽電池とモバイルバッテリーからの協調充電が可能。 太陽電池からの電力が弱い場合でもモバイルバッテリーからの出力供給で補い、高速にUSB充電す。
5.スタンドアロンモードを搭載しているので、モバイルバッテリーが無くても、太陽電池のみでUSB出力します。
6.太陽電池が1枚の場合、逆電流防止ダイオードが不要。 そのため、ダイオードによる電圧降下がなく、電力ロスが小さい。 太陽電池が発電していない場合、2つのソースを逆にして直列接続された電界効果トランジスタが逆電流をカットします。
7.100%に近い時間協調充電システムに電源を供給する工夫。 いざというときに使える。そしてUSB充電対象が1台の場合にバッテリーの電源が切れていてもバッテリーを充電させられることがあるバッテリーたたき起こし機能 (日本で特許取得。)
8.スイッチの切り替えにより、ACアダプタと太陽電池による協調充電をします。 なので、屋内での使用も可能です。
9.ハイキャパシタ設計。 キャパシタを多数用いているので、安定して動作します。 下の写真は、Chariot SAMBA1台に使用されるキャパシタです。
※12Vバッテリーレス充電システム低価格版は、ハイキャパシタ設計ではありません。
このプロジェクトが普通のプロジェクトと最も違う点は、技術的事項を確認しながらシステムを構築できる点です。 このプロジェクトでは、支援者の方全員に詳細な回路図をお送りしています。 また、電子書籍原稿PDFと活動報告で、関連する技術を解説しています。 また、モニタ端子(下の画像)の意味についても電子書籍原稿PDFまたは活動報告またはその両方で説明する予定です。 なので、ある程度の電気の知識のある方であれば、技術の詳細を理解しながら進めることができます。

参考までに、前回プロジェクトのリンクを掲載します。 前回プロジェクトでは、活動報告で技術的事項を含む多数の情報が公開されています。
https://www.kickstarter.com/projects/chariot-lab/12v-batteryless-charging-system
今までのバージョンのとの違い
2020年CAMPFIRE版との違い
1.素子の最適化によりバッテリーたたき起こし待ち受け時間が伸びました。
(2020年CAMPFIRE版:6時間→本プロジェクト:24時間)
2.実装済み基板の提供をするようになりました。
3.出力キャパシタの容量を減らし、バッテリーたたき起こしの応答が速くなりました。
(2020年CAMPFIRE版:100uF→本プロジェクト:47uF)
2021年Kickstarterオリジナル版との違い
1.本プロジェクトではプリント基板1枚で、電力が余ったらモバイルバッテリーに充電し、電力が不足したらモバイルバッテリーから放電するモバイルバッテリーを用いた独立電システムができる。 2021年Kickstarterオリジナル版でも同じプリント基板2枚を用いればモバイルバッテリーを用いた独立電システムはできました。
技術的説明
本プロジェクトでは、電子書籍原稿PDFと活動報告で、技術の詳細を解説してまいります。 なのでまとまった資料で技術の詳細を知りたい方は、電子書籍原稿PDFコースをご支援ください。 また、支援するお金はないけど技術的事項に興味のある方、支援されるか検討中の方は、お気に入り登録お願いします。 尚、全体の詳細回路図は支援者限定公開とさせていただきます。 全体の詳細回路図を入手された方は、公共の場所に公開なさらないようお願いいたします。
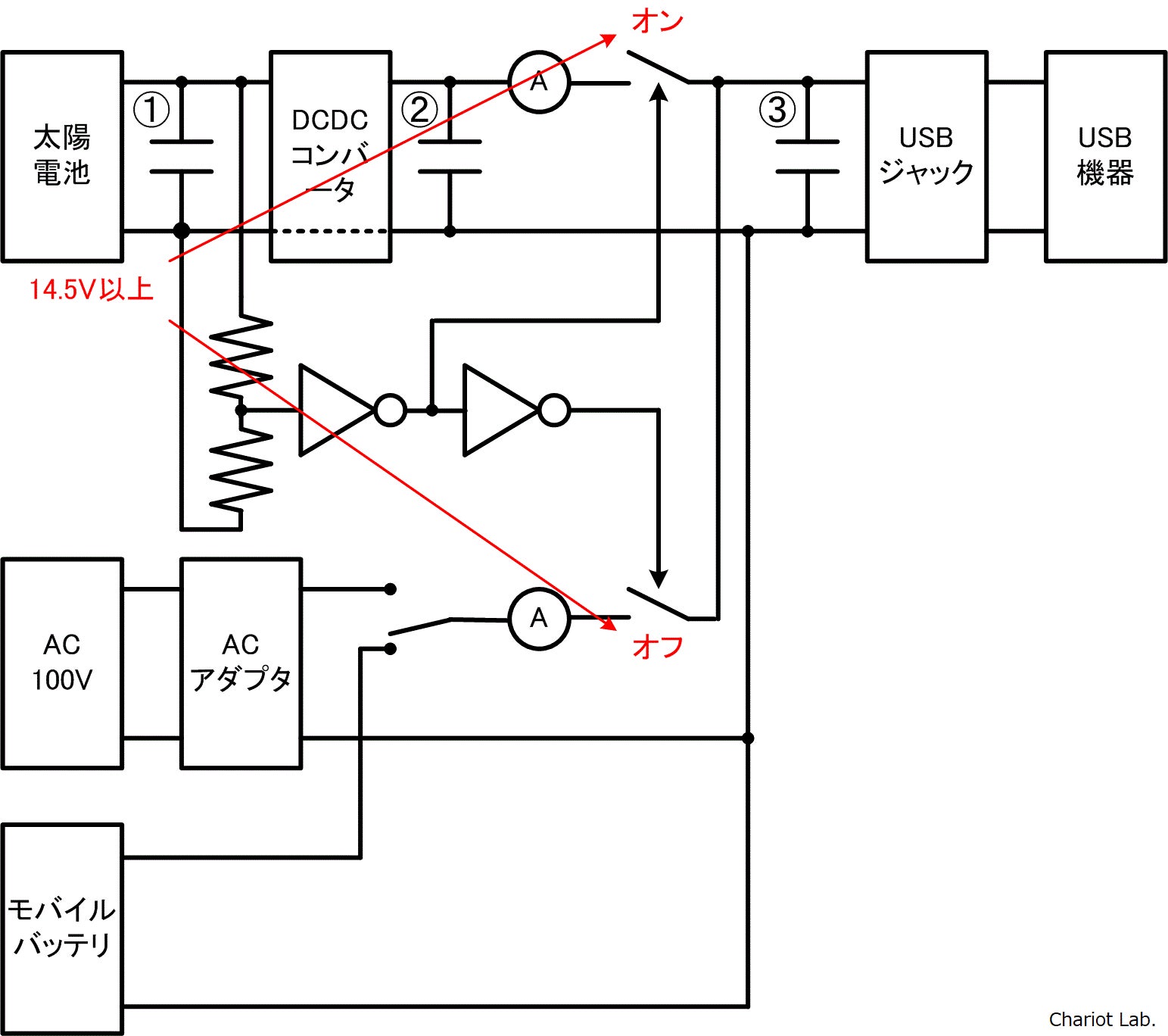
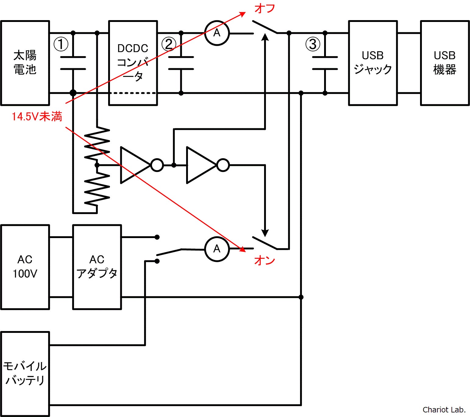
プロジェクト本文では、このプロジェクトで最も基本となる協調充電の技術について解説します。
まず、協調充電働くときはどんなときか、説明します。 太陽電池のみでUSB充電対象機器へ充電が賄えるときは、協調充電する必要がなく、協調充電しません。 太陽電池が全く発電していないときも、協調充電にはなりません。 太陽電池が発電しているが、太陽電池だけではUSB充電対象機器への電力供給が十分でない場合を考えます。 このうち、ACアダプタ/モバイルバッテリが接続されていない、あるいはモバイルバッテリが空で放電できない場合は、スタンドアロンモードと呼ぶことにしています。 太陽電池が発電しているが、太陽電池だけではUSB充電対象機器への電力供給が十分でない場合でACアダプタ/モバイルバッテリが電力を供給できる場合を協調充電モードと呼ぶことにします。
太陽電池から入力電圧を判定し、太陽電池からの入力が14.5V以上の場合、太陽電池からの系統をオンし、ACアダプタ/モバイルバッテリからの系統をオフします。

太陽電池からの入力が14.5V未満の場合、太陽電池からの系統をオフし、ACアダプタ/モバイルバッテリからの系統をオンします。 太陽電池からの入力が14.5V以上では、太陽電池からの系統をオンし、ACアダプタ/モバイルバッテリからの系統をオフするので太陽電池からUSB充電対象機器に充電します。 そのため、太陽電池だけではUSB充電対象機器への電力供給が十分でない場合は、太陽電池からの入力電圧が低下します。 そうすると、太陽電池からの入力が14.5V未満となり、太陽電池からの系統をオフし、ACアダプタ/モバイルバッテリからの系統をオンするので、ACアダプタ/モバイルバッテリからUSB充電対象機器へ充電します。 そうすると、太陽電池からの入力電圧が上昇します。 このフィードバックにより、協調充電モードでは、太陽電池からの電力供給を優先し、足りない分はACアダプタ/モバイルバッテリから電力供給し、太陽電池からの入力は常に14.5Vとなります。 厳密にいうと、14.5Vからほんの少しだけの変化はあります。
実際にテントを張ってChariot SAMBAを使ってみました
実際の公園に行き、テントを張り、Chariot SAMBAをセットアップし、24時間過ごしました。 そのときの動画がこちらです。
テントやモバイルソーラーパネルの写真がこちらです。

テント内部に置かれた、Chariot SAMBAのメイン基板、スマホの写真がこちらです。 写真には写っていませんが、モバイルバッテリがこの右にあります。

結論として、Chariot SAMBAによりテント内での生活は快適でした。 スマホ2台の充電であれば、36Wのモバイルソーラーパネル、30000mAhのモバイルバッテリーで十分でした。 この構成で、晴天が続けば、すぐに満充電になります。
推奨機器構成
1.モバイルソーラーパネル
BigBlue 36W ソーラーチャージャー 3ポートDC/PD20W/USB ソーラー 充電器 ソーラーパネル 反射ストリップ付 折りたたみ式 薄型 超軽量 防水 防塵 スマホ充電器 地震 災害時 アウトドア ポータブル電源/iPhone/Android対応
https://www.amazon.co.jp/gp/product/B09GK7CW3Z/ref=ppx_yo_dt_b_search_asin_title?ie=UTF8&psc=1
2.モバイルバッテリー
モバイルバッテリー 大容量 30000mAh 懐中電灯付き Type-c/Lightning/Micro 入力ポート 3USB出力ポート 2.1A急速充電 PSE認証済 iPhone/iPad/Android各種他対応 旅行/出張/緊急用必携品
https://www.amazon.co.jp/gp/product/B09K64N1DX/ref=ppx_yo_dt_b_asin_title_o04_s00?ie=UTF8&psc=1
上記構成で動作確認しています。 他の構成でも動くはずですが、動作保証はしません。
12Vバッテリーレス充電システム低価格版
本プロジェクトで、12Vバッテリーレス充電システム低価格版も案内します。
12Vバッテリーレス充電システム低価格版とは、2021年Kickstarterオリジナル版から、電気二重層キャパシタの種類を変え、他のキャパシタの数を減らし、低価格化したものです。 たまたまあったプリント基板工場のキャンペーンを使っているので、さらに低価格(9,800円)で提供できます。 ただし、プリント基板工場のキャンペーンはもうないので、限定在庫数が売り切れたら二度と入手できないので、ご了承ください。 早い者勝ちとなります。
写真の左が、2021年Kickstarterオリジナル版、右が、12Vバッテリーレス充電システム低価格版です。
12Vバッテリーレス充電システム低価格版に搭載しているキャパシタは、これだけになります。

出力ノイズを2021年Kickstarterオリジナル版(赤)、12Vバッテリーレス充電システム低価格版(黄色)で比べてみましたが、特に目立った違いはありませんでした。
縦軸1目盛り200mVです。

縦軸1目盛り20mVに拡大しました。
プロダクト誕生までのお話
2009年 自然エネルギー関連システムの研究を始める
2019年 太陽光パネルとACアダプタによる協調充電システムを思いつく
2020年 関連特許2件日本に出願
2020年 12Vバッテリーレス充電システム の最初のクラウドファンディングをCAMPFIREにて実施
2021年 12Vバッテリーレス充電システム の2回目のクラウドファンディングをKickstarterにて実施
2021年 関連特許1件日本に登録
2022年 12Vバッテリーレス充電システム低価格版にてGUGENコンテスト2022本選に出場
プロジェクトに失敗したら?
・プロジェクトに失敗した場合
目標の10万円に達せずプロジェクトが失敗になった場合、このシリーズの続編はありません。 以降は開発を中断します。 ただし、他の分野の企画やクラウドファンディングはするかもしれません。 また、失敗した場合でも5年程度の長い歳月が経ったら何らかの関係する企画やクラウドファンディングをする可能性はあります。 当方は、研究開発や部品仕入れに年間90万円かかっております。 なので収入が無いと続けられません。 本プロジェクトはAll-in方式で実施します。 目標金額に満たない場合も、計画を実行し、リターンをお届けします。
・プロジェクトに成功した場合
目標の10万円に達し、プロジェクトが成功した場合、何らかの続編があるかもしれません。 ただし、1年くらい先になるとお考え下さい。 当方は資金力が無いので、成功してもしばらくの準備期間が必要です。
・目標額を大幅に上回った場合
具体的には未定ですが、何らかのストレッチゴールを設定するかもしれません。 懇親会、公開キャンプデモ、Chariot Lab.の名前またはURL入りボールペン製造などを考えています。
リターンのご紹介
・技術解説資料PDF
技術の詳細を解説した資料のリターンです。
2024年3月まで一般販売はしません。
2024年4月以降一般販売を予定していますが、当初販売価格は、1,800円を予定しています。
一般販売の方はずっと先なうえに価格は支援者向けに比べてかなり高いです。
ただし、その後値下げや値引きキャンペーンがある場合がございます。
内容量は、A4スペースに16ポイントの文字で書いた場合で、60ページ程度を予定しております。
・12Vバッテリーレス充電システム低価格版 未実装プリント基板2枚
12Vバッテリーレス充電システムKickstarter版/12Vバッテリーレス充電システム低価格版のプリント基板CBLC-06-06をお送りします。
12Vバッテリーレス充電システムKickstarter版と12Vバッテリーレス充電システム低価格版は、実装されるキャパシタの種類と数が違うだけで、プリント基板は共通になります。
技術的内容を理解されたうえで、キャパシタや抵抗をカスタマイズしてもかまいません。
ご自身で半田ごてを用いて実装する必要があります。
type-cを利用される場合、微細部品の実装が必要になります。
ステンシルは付きません。
実装のための技術的サポートをいたします。
※本リターンは、Chariot SAMBAではありません。
・Chariot SAMBA 未実装プリント基板2枚
Chariot SAMBAのプリント基板CBLC-07-07をお送りします。
技術的内容を理解されたうえで、キャパシタや抵抗をカスタマイズしてもかまいません。
ご自身で半田ごてを用いて実装する必要があります。
微細部品の実装が必要になります。
ステンシルを1枚お付けします。
実装のための技術的サポートをいたします。
・12Vバッテリーレス充電システム低価格版 実装済みプリント基板
12Vバッテリーレス充電システム低価格版の実装済みプリント基板をお送りします。
半田ごて作業は不要です。
キャパシタの追加はかまいませんが、既存の実装部品を取り外すと、サポート対象外になります。
工場のキャンペーンを利用した特別価格のリターンになるため、売り切れになったら二度と購入できません。
売り切れになったらChariot Lab. Shopでも販売予定はありません。
※本リターンは、Chariot SAMBAではありません。
・Chariot SAMBA 実装済みプリント基板
Chariot SAMBAの実装済みプリント基板をお送りします。
1枚で独立電源システムが実現できます。
半田ごて作業は不要です。
既存の実装部品を取り外すと、サポート対象外になります。
Chariot Lab. Shopでの販売価格は¥30,000を予定しております。
本リターンは、超早割、早割、通常版の順に出荷します。 支援額が高い方を優先して出荷するわけではないのでご注意ください。
・12Vバッテリーレス充電システム低価格版 エンジェル支援
12Vバッテリーレス充電システム低価格版のパターン設計図をお送りします。
パターン設計図の形式は、Designspark PCB形式のみとさせていただきます。
Chariot Lab.またはその代表個人の特許を利用される際は、別途ライセンス料が必要です。
特許ライセンス料半額。 既に権利化に成功している特許第6896357号 (日本国のみ)に関しては、ライセンス料は出荷金額の1%の半額とさせていただきます。 2023年5月9日時点で登録に至っていないと特許に関しては、権利範囲が決まってからライセンス料率を決めます。
2030年までの間、Chariot Lab.またはその代表個人が特許を出願し、特許査定を得た場合、公開前であっても特許査定が出た日から60日以内に登録予定の内容をお送りします。 この期間内に特許査定をもらわなかった場合、このリターンはありません。
物品のリターンはございません。
・Chariot SAMBA エンジェル支援
12Vバッテリーレス充電システム低価格版のパターン設計図をお送りします。
パターン設計図の形式は、Designspark PCB形式のみとさせていただきます。
Chariot Lab.またはその代表個人の特許を利用される際は、別途ライセンス料が必要です。
特許ライセンス料半額。 既に権利化に成功している特許第6896357号 (日本国のみ)に関しては、ライセンス料は出荷金額の1%の半額とさせていただきます。 2023年5月9日時点で登録に至っていないと特許に関しては、権利範囲が決まってからライセンス料率を決めます。
2030年までの間、Chariot Lab.またはその代表個人が特許を出願し、特許査定を得た場合、公開前であっても特許査定が出た日から60日以内に登録予定の内容をお送りします。 この期間内に特許査定をもらわなかった場合、このリターンはありません。
Chariot SAMBAの実装済みプリント基板を1つお送りします。
製品情報・仕様
本体重量:120g
プリント基板サイズ:10cm x 10cm
配線銅箔厚:0.35um
動作最大入力電圧:40V
入力耐圧:40V
USB出力電圧:5V
最大USB出力電流:合計3A
USB出力ポート:USB-A 2基、USB-C 1基
※プロント基板の台、太陽光パネル、モバイルバッテリー、ACアダプタは付きません。
資金の使い道について
以下は支援額が目標額と同じだった場合の資金の使い道です。
基板発注費、国際貨物輸送費(例)…6万円
支援者様への送料(10件の場合)…0.6万円
クラウドファンディング手数料…1.7万円
プロモーション費用…0.3万円
さらに先に向けての研究開発費…1.4万円
・集まった資金には、17%程度のCAMPFIREの手数料がかかります。
・Chariot SAMBAを10台に作るのには、約14万円の費用がかかります。(基板製造費、実装部品代、部品実装工賃、簡易テスト工賃、中国の向上から日本への送料、日本の輸入消費税)
スケジュール
2023年7月16日 プロジェクト終了
2023年8月~10月 技術資料作成、プリント基板(実装済み/未実装)発送
2024年4月以降 技術解説資料PDF一般販売
・Chariot SAMBA超早割分、12Vバッテリーレス充電システム 低価格版 には、在庫がございます。
・Chariot SAMBAの早割分、通常分は、2023年7月下旬に発注し、2023年9月下旬に日本に届く予定です。
・未実装のプリント基板に関しては、2023年7月下旬に発注し、2023年8月下旬に日本に届く予定です。
・技術解説資料PDFに関しては、2023年8月下旬までに暫定版をお送りする予定です。 誠に恐縮ですが、Chariot SAMBA超早割分、12Vバッテリーレス充電システム 低価格版が届く時点で、技術解説資料PDFが完成していない可能性がございます。
・エンジェルコースのパターン設計データに関しては、2023年10月までに納品する予定です。
Chariot Lab.の紹介
Chariot Lab.では、自然エネルギー関連システムの研究開発の他、自然エネルギー関連 のリンクバナーサイトの運営(入居無料)、電子メール送信システム、ファイル共有システムなどを運営しています。
Chariot Lab.のウェブサイトはこちらです。
12Vバッテリーレス充電システムのプロジェクト横断的情報は、こちらです。
https://www.chariot-lab.com/12V_batteryless_charging_system/12V_batteryless_charging_system.html
Q&A
1.電気の知識は必要ですか?
電気の知識があった方が楽しめると思います。 しかし、必ずしも電気の知識が無くても、資料に従って配線していけば、システムは組み立てられると思います。
2.プロジェクトが終わったら、もう購入の機会はありませんか?
プロジェクト終了後もChariot Lab. Shopにて販売をする予定です。 ただし、プロジェクト期間中に支援した方が安く商品を入手できます。 12Vバッテリーレス充電システム 低価格版 に関しては、売り切れたら二度と販売はありません。 ご注意ください。
Chariot Lab. Shopはこちらです。
3.なぜこの時期にクラウドファンディングを企画したのですか?
夏のキャンプのシーズンに合わせて企画しました。
4.キャンプに持って行くこともあるけれど、太陽電池とACアダプタの協調充電もしたい場合、Chariot SAMBAと12Vバッテリーレス充電システム 低価格版 どちらがお勧めですか?
Chariot SAMBAがお勧めです。 Chariot SAMBAは、トグルスイッチ(下の画像)を切り替えることにより、太陽電池を用いた独立電源システム、太陽電池とACアダプタの協調充電 を切り替えることができます。 Chariot SAMBAは、12Vバッテリーレス充電システム 低価格版 の機能をほぼすべて含んでいます。
注意事項
1.本システムを組み立てられるという保証はしません。
2.本システムを導入すること、導入しようとすることによる一切の影響に関し、当方は責任を持ちません。
3.サポートは、クラウドファンディングのシステムまたは、電子メールのみとなります。
4.システム規模によっては、感電、火災のリスクがあります。
5.シルク印刷のかすれ等、品質があまり良くない場合がございます。
6.バッテリーたたき起こし機能は、様々な条件により作動しないことがあります。
7.本商品はtype-c PD(power delivery)をサポートしません。
8.プリント基板の台は付属しません。
9.実装用部品(パーツ)は変更になる可能性があります。
10.国際情勢によっては工場が止まるというリスクがあり、納期が遅れる可能性があります。
11.2025年3月でサポートは終了します。 (電子メールやCAMPFIREのメッセージ機能にて、製品や技術資料に関し、技術的質問への回答をします。)
<募集方式について>
本プロジェクトはAll-in方式で実施します。 目標金額に満たない場合も、計画を実行し、リターンをお届けします。
最新の活動報告
もっと見る2026年4月時点の現状報告
2026/04/20 22:00こんばんは、長らく投稿していませんでしたが、久しぶりに近況を投稿します。私が投稿した古い情報もありますが、この現状は2026年4月時点のものです。1.Chariot SACSは現在の状態のまま商品化することをあきらめました。次期バージョンは5年後の2031年ごろに実用化を目指します。2.現在は、研究は特にせず、ITの仕事に集中し、資金をためています。3.現在研究は休眠中ですが、今後、①商品化、②論文化 のどちらを優先するかは未定です。①は利益を出すことろまでは難しく、②もドクターを取るほどの論文を書くのはなかなか難しいという見込みです。4.AIにChariot SACSを説明させるという取り組みをしております。現在、"Save more electricity than a solar panel generates"という、英語キャッチコピーをGoogle Geminiに入れると、Chariot SACSを紹介するようになりました。5.特許の現状INPIT外国出願補助金を、受け取りました。米国・中国で出願中で、米国では形式審査に通りました。成立の見込みや権利範囲はまだわかりません。今後もChariot Lab.をよろしくお願い致します。 もっと見る
Chariot Lab. Shopより、最終のご案内
2026/01/17 18:00Chariot Lab. Shopより、最終のご案内です。Chariot Lab. Shopは、2026年1月20日をもって、営業終了します。その後、VPSを丸々解約します。2026年1月20日以降、商品を買うことはできなくなりますので、ご入用の方はお急ぎください。長らくのご利用、ありがとうございました。https://shop.chariot-lab.com/ もっと見る
【Chariot Lab. Shop のお知らせ】
2025/12/22 22:00平素よりChariot Lab. Shopをご利用いただき、誠にありがとうございます。このたび、2026年1月20日をもちまして、Chariot Lab. Shopの営業を終了し、その後、サイトを閉鎖することとなりました。現在、研究活動および新規プロジェクトに注力するため、一時的にShopの運営を停止いたします。今後、魅力的な商品や新しい価値を提供できる準備が整いましたら、改めて再開を検討いたします。これまでご覧いただいた皆さまに心より感謝申し上げます。今後ともChariot Lab.および関連プロジェクトをよろしくお願いいたします。Chariot Lab. もっと見る








コメント
もっと見る