2015/03/23 11:45

試作品の図面から背面ホーンの構造を検討しています。
iPhone6、6Plusがささる形状も同時に追加する必要があります。
すべてが折り合い付くように考えなければなりません。
現在の図面では背面ホーンは斜め下方向に45°の角度でおりています。
これを60°にしてほうが良いのではないかと考えています。
ケーブルがスムーズに差し込めるようにするためです。
また状況が変化しましたらお知らせします。

現在の支援総額
448,800円
目標金額は300,000円
支援者数
31人
募集終了まで残り
終了
このプロジェクトは、2015/03/12に募集を開始し、 31人の支援により 448,800円の資金を集め、 2015/04/09に募集を終了しました

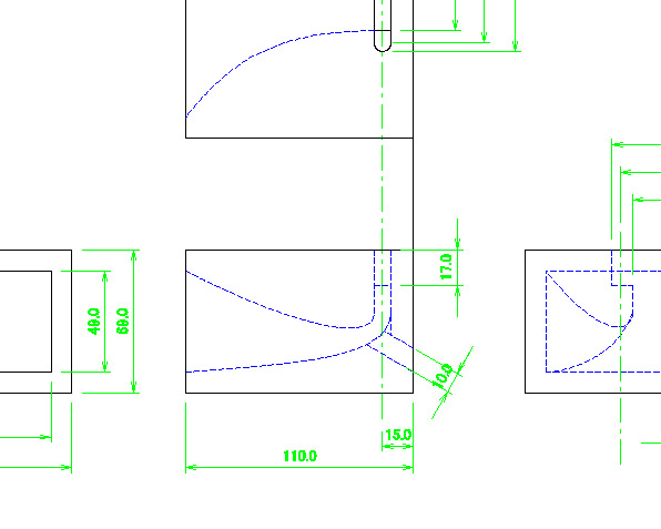
試作品の図面から背面ホーンの構造を検討しています。
iPhone6、6Plusがささる形状も同時に追加する必要があります。
すべてが折り合い付くように考えなければなりません。
現在の図面では背面ホーンは斜め下方向に45°の角度でおりています。
これを60°にしてほうが良いのではないかと考えています。
ケーブルがスムーズに差し込めるようにするためです。
また状況が変化しましたらお知らせします。