
本日から、再び技術トピックに戻ります。 本日は、協調充電回路についてです。 プロジェクトページでも協調充電については軽く触れていましたが、技術の詳細に関しては説明していませんでした。 今回のトピックは非常に重要です。
まず、協調充電働くときはどんなときか、説明します。 太陽電池のみでUSB充電対象機器へ充電が賄えるときは、協調充電する必要がなく、協調充電しません。 太陽電池が全く発電していないときも、協調充電にはなりません。 太陽電池が発電しているが、太陽電池だけではUSB充電対象機器への電力供給が十分でない場合を考えます。 このうち、ACアダプタ/モバイルバッテリが接続されていない、あるいはモバイルバッテリが空で放電できない場合は、スタンドアロンモードと呼ぶことにしています。 スタンドアロンモードに関しては、次回詳しく取り上げます。 太陽電池が発電しているが、太陽電池だけではUSB充電対象機器への電力供給が十分でない場合でACアダプタ/モバイルバッテリが電力を供給できる場合を協調充電モードと呼ぶことにします。
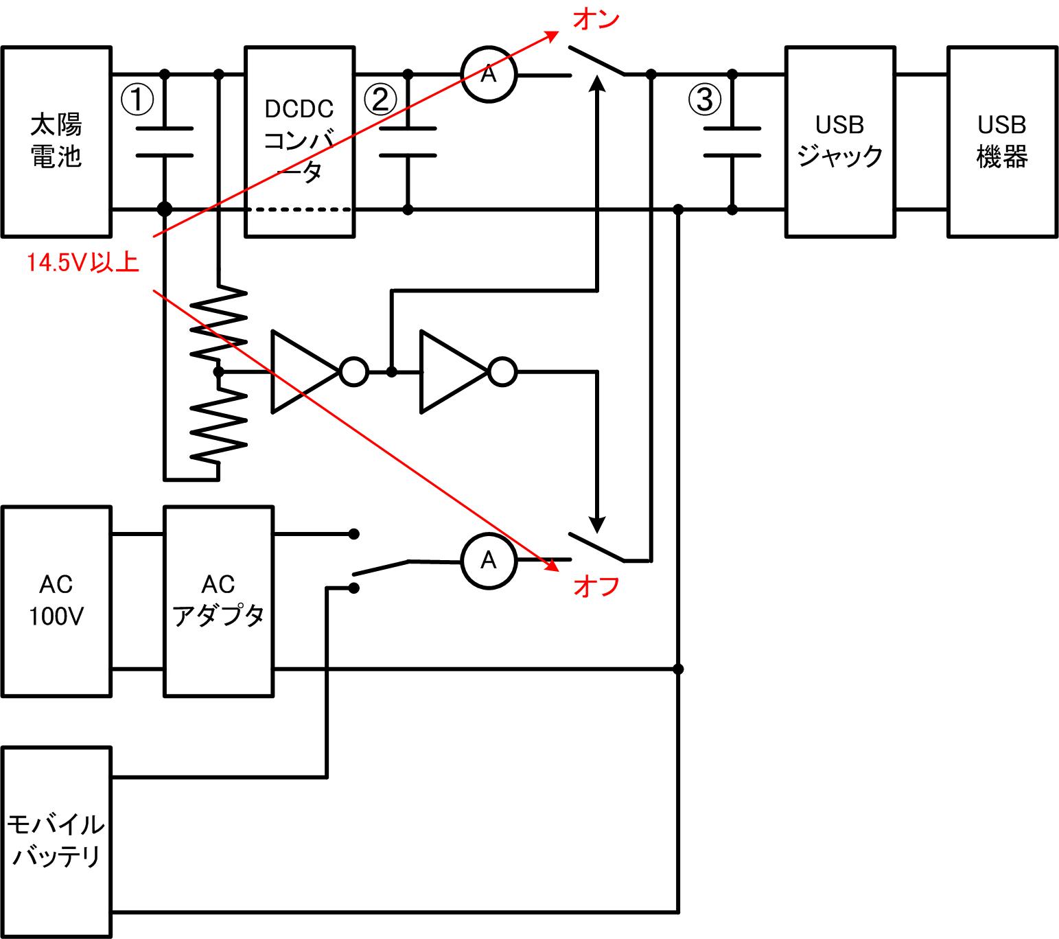
まずは、上の図をご覧ください。 太陽電池から入力電圧を判定し、太陽電池からの入力が14.5V以上の場合、太陽電池からの系統をオンし、ACアダプタ/モバイルバッテリからの系統をオフします。 次に、下の図をご覧ください。
太陽電池からの入力が14.5V未満の場合、太陽電池からの系統をオフし、ACアダプタ/モバイルバッテリからの系統をオンします。 太陽電池からの入力が14.5V以上では、太陽電池からの系統をオンし、ACアダプタ/モバイルバッテリからの系統をオフするので太陽電池からUSB充電対象機器に充電します。 そのため、太陽電池だけではUSB充電対象機器への電力供給が十分でない場合は、太陽電池からの入力電圧が低下します。 そうすると、太陽電池からの入力が14.5V未満となり、太陽電池からの系統をオフし、ACアダプタ/モバイルバッテリからの系統をオンするので、ACアダプタ/モバイルバッテリからUSB充電対象機器へ充電します。 そうすると、太陽電池からの入力電圧が上昇します。 このフィードバックにより、協調充電モードでは、太陽電池からの電力供給を優先し、足りない分はACアダプタ/モバイルバッテリから電力供給し、太陽電池からの入力は常に14.5Vとなります。 厳密にいうと、14.5Vからほんの少しだけの変化はあります。 下の図は、プロジェクトページでも上げましたが、協調充電の様子です。
横軸は、電圧変換前の太陽電池からの電流を模擬した直流電源からの電流で、縦軸は、5V変換後の太陽電池からの電流とACアダプタからの電流です。 尚、太陽電池の系統のスイッチ記号の部分は、無くても協調充電は機能します。 では何のためにあるのかというとスタンドアロンモードのために必要なのですが、この辺の話は次回します。
もし協調充電機能がなく、曇りの日に太陽電池からの電力供給が5V変換後に0.5Aしかなかったら、0.5AでUSB充電対象機器に充電することになり、充電が遅く、USB充電対象機器がスマートフォンだった場合、消費される電力の方が多く、実質的に充電されないなんていうことになりかねません。 12Vバッテリーレスシステムの中身は協調充電回路だと言っても過言ではありません。
いかがでしたか? 「12Vバッテリーレスシステム」の技術の詳細をまとめた資料は、すべてのコースに付きます。 是非プロジェクト「12Vバッテリーレスシステム」をご支援ください。 災害に備えましょう。



