
前回から引き続き、技術トピックです。 今回は、「スタンドアロンモード」です。 「スタンドアロンモード」は停電・災害時に有益なモードです。
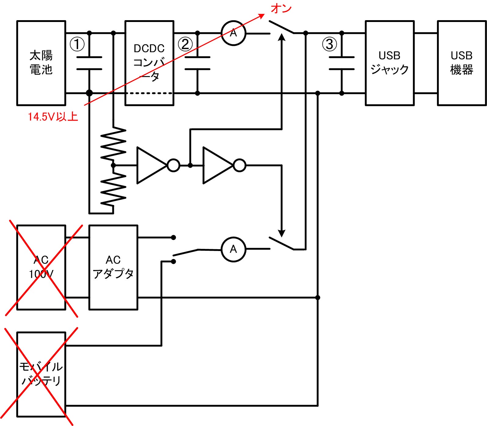
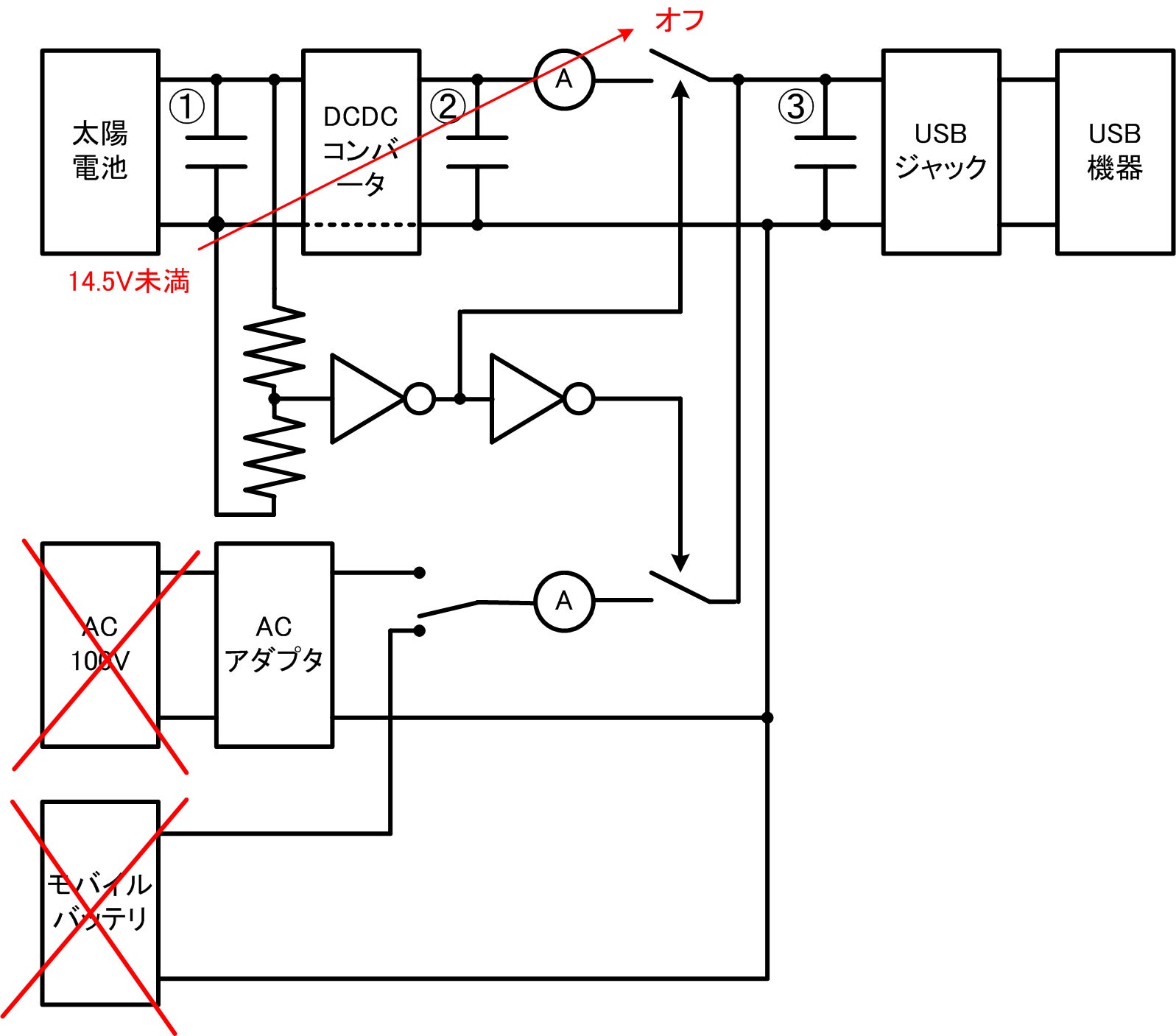
前回とほぼ同じ図を使って説明します。 太陽電池から入力電圧を判定し、太陽電池からの入力が14.5V以上の場合、太陽電池からの系統をオンします。 次に、下の図をご覧ください。 太陽電池からの入力が14.5V未満の場合、太陽電池からの系統をオフします。 太陽電池からの入力が14.5V以上では、太陽電池からの系統をオンするので太陽電池からUSB充電対象機器に充電します。 そのため、スタンドアロンモードでは、太陽電池からの入力電圧が低下します。
「スタンドアロンモード」でこの状態では、ACアダプタ/モバイルバッテリからの電力供給はないので、USB充電対象機器には充電されません。 そうすると、太陽電池からの入力が14.5V未満となり、太陽電池からの系統をオフします。 「スタンドアロンモード」でこの状態では、ACアダプタ/モバイルバッテリからの電力供給はないので、USB充電対象機器には充電されません。 このフィードバックにより、スタンドアロンモードでは、USB充電対象機器への充電電流を絞りつつ、太陽電池からの入力が14.5Vに維持されます。
では、なぜUSB充電対象機器への充電電流を意図的に絞ってまで太陽電池からの入力電圧を維持する必要があるのでしょうか? 下の図は、太陽電池の取り出す電圧と取り出す電流、取り出せる電力の関係です。 取り出す電圧が17V付近で最も大きな電力が取り出せることがわかります。 そのため、取り出す電圧が17V付近とするのが最適ということがわかります。 この関係は、温度によっても変わり、複数の太陽電池を用いる場合、逆電流防止ダイオードが必要になる分の電圧降下を考慮しなくてはいけないということで、14.5V程度に設定しています。 この14.5Vという設定は、抵抗器の抵抗値を調整してカスタマイズできます。 支援していただいた方で余裕のある方は、カスタマイズしてみてください。

さて、太陽電池からの系統に、本当にスイッチが必要なのでしょうか? この疑問を解明するには、下の図の2点を短絡して実験をしてみればわかります。 短絡を半田付けでしてしまうと、そのプリント基板は使えなくなってしまうので、配線を穴に通すのみとしてください。 支援していただいた方で余裕のある方は、試してみてください。 結果を申し上げますと、太陽電池からの入力が小さい電圧から大きい電圧に変化する場合、出力の5Vよ少し高い5.5~6Vで安定してしまい、それ以上上がらなくなってしまうことがあります。 つまり非効率な太陽電池からの入力電圧でDCDCコンバータが動作することになります。

「スタンドアロンモード」が必要なのは、ACアダプタからの電力が得られない停電・災害時のみです。 ですが、停電・災害はいつ起こるかわかりません。 普段から停電・災害時を想定し、「12Vバッテリーレスシステム」を導入し、「スタンドアロンモード」の実験をしておくことをお勧めします。 カスタマイズしさらなる研究をするには、プリント基板4枚コースがお勧めです。 ご支援・お気に入り登録・ご質問・コメント等お待ちしております。



