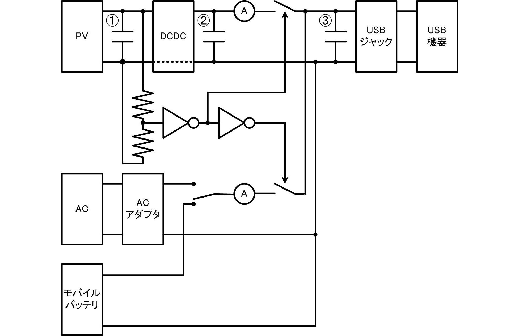
今回は、「12Vバッテリーレス充電システム」におけるキャパシタの容量をどのくらいにすべきかについて書きます。 旧プリント基板の場合 、①に1000uF + 100uF + 0.1uF、②に470uF x2、③に470uF + 0.1uF x3 を推奨します。 新プリント基板の場合、①に1000uF x2 + 100uF + 4.7uF、②に1000uF、③に470uF + 0.1uF x3 を推奨します。
①は、太陽電池からの配線からの途中にノイズが入っても吸収できるようにするために必要です。また、DCDCコンバータの入力側のノイズを吸収するのにも必要です。 旧基板の場合100uF + 0.1uF、新基板の場合100uF + 4.7uFだけでも動作します。 コストを抑えたい方は、変えてみてもかまいません。 ②は、DCDCコンバータの出力側のノイズを吸収するのに必要です。 ③は、太陽電池からの系統で②で取りきれなかったノイズを抑えるのに役立ちます。 また、ACアダプタやモバイルバッテリーからのノイズを抑えるのにも効果を発揮します。 ただし、③にキャパシタを接続すると、ACアダプタの寿命が縮まるという説もあるようです。 ③は470uFより大きいと、「バッテリー叩き起こし」が働かなくなるので、470uF以下を推奨します。 ③に470uFを1個付けた場合でも、バッテリー叩き起こしには3秒ほどかかります。

余裕があったら、キャパシタ容量も研究してみてください。 それではまた。




