
基本配線接続方法はいかがでしたか? 今回は12Vバッテリーレスシステム用プリント基板を2枚使って、モバイルバッテリを使った独立電源システムを作る応用編を紹介します。
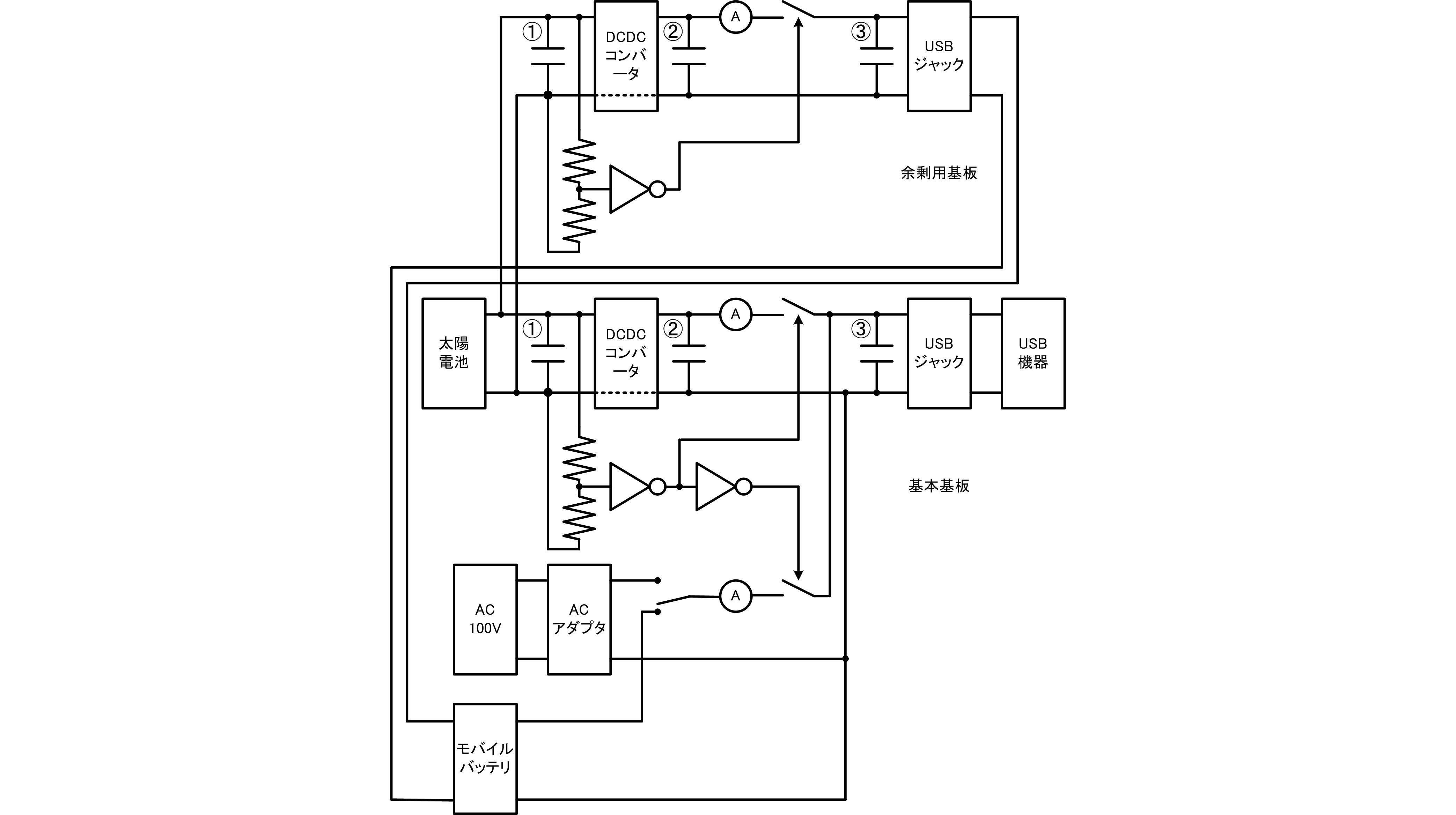
配線方法は、上の図の通りです。 基本基板と、余剰用基板の2つのプリント基板を用意します。 太陽電池の+側と-側をそれぞれ2つに分岐し、基本基板の①番端子台、余剰用基板の①番端子台に接続します。 写真の向きで、左側がマイナス、右側がプラスです。 余剰用基板の⑥番(または⑦⑧番)USB出力から、モバイルバッテリの入力にUSB配線で接続し、モバイルバッテリの出力を基本基板の③番のtype-cジャックにUSB配線で接続します。 基本基板の⑥⑦⑧番のUSB出力からの出力で、USB機器を充電します。 余剰用基板の⑥⑦⑧番のUSB出力からは、太陽光パネルからの電力が余っているとき電力が出力されます。
太陽光パネルからの電力は、まず基本基板の⑥⑦⑧番のUSB出力に接続された充電対象機器に充電します。 基本基板の⑥⑦⑧番のUSB出力に接続された充電対象機器が満充電になるか、あるいは基本基板の⑥⑦⑧番のUSB出力に接続された充電対象機器に充電しても電力が余る場合、モバイルバッテリを含む、余剰用基板の⑥⑦⑧番のUSB出力に接続された充電対象機器に充電します。 余剰用基板の⑥⑦⑧番には、急いで充電する必要はないけど、電力が余っていたら充電したい機器を接続します。
システム全体のブロック図がこちらになります。
sender.com/data/ DCDCコンバータを充電するかどうかの入力電圧を2つの基板で少し変えていて、基本基板では14.5V程度、余剰用基板では17.5Vくらいにします。 モバイルバッテリは、パススルー機能に対応したものを用います。 尚、応用編では、モバイルバッテリに充電中にモバイルバッテリを放電させることによる、太陽電池をモバイルバッテリからの協調充電は動作しない場合があります。 大きな画像は、以下からダウンロードできます。
https://share.chariot-sender.com/data/378469000532/applided_version_connection.jpg
https://share.chariot-sender.com/data/258346753638/applied_version.jpg
この有効期限までにダウンロードしてください:2021年04月01日(Thu) 19時45分
いかがでしたか? この応用編は、Chariot Lab.でもスマートフォンなどを充電するシステムとして、実際の生活で使っております。 普段から役立ち、災害時には大活躍が期待できます。 災害への備えはしっかりしていますか? 是非プリント基板複数枚コースをご支援ください。 コメントとお気に入り登録もよろしくお願いします。 それでは次回お会いしましょう。




