
<訂正版>
大変申し訳ありません。 本日昼に投稿した活動報告で、回路図に誤りがありましたので訂正いたします。 電子メールで活動報告を受け取られた方は、昼の分を削除いただけますでしょうか。
みなさんこんにちは。
今週中に支援が入らなかった場合、しばらく活動報告を書くのを中止します。
逆に今週中に重要な活動報告はすべて出ますので、見逃さないでください。
特に、今回の活動報告は、おそらくすべての活動報告の中で最も重要になります。
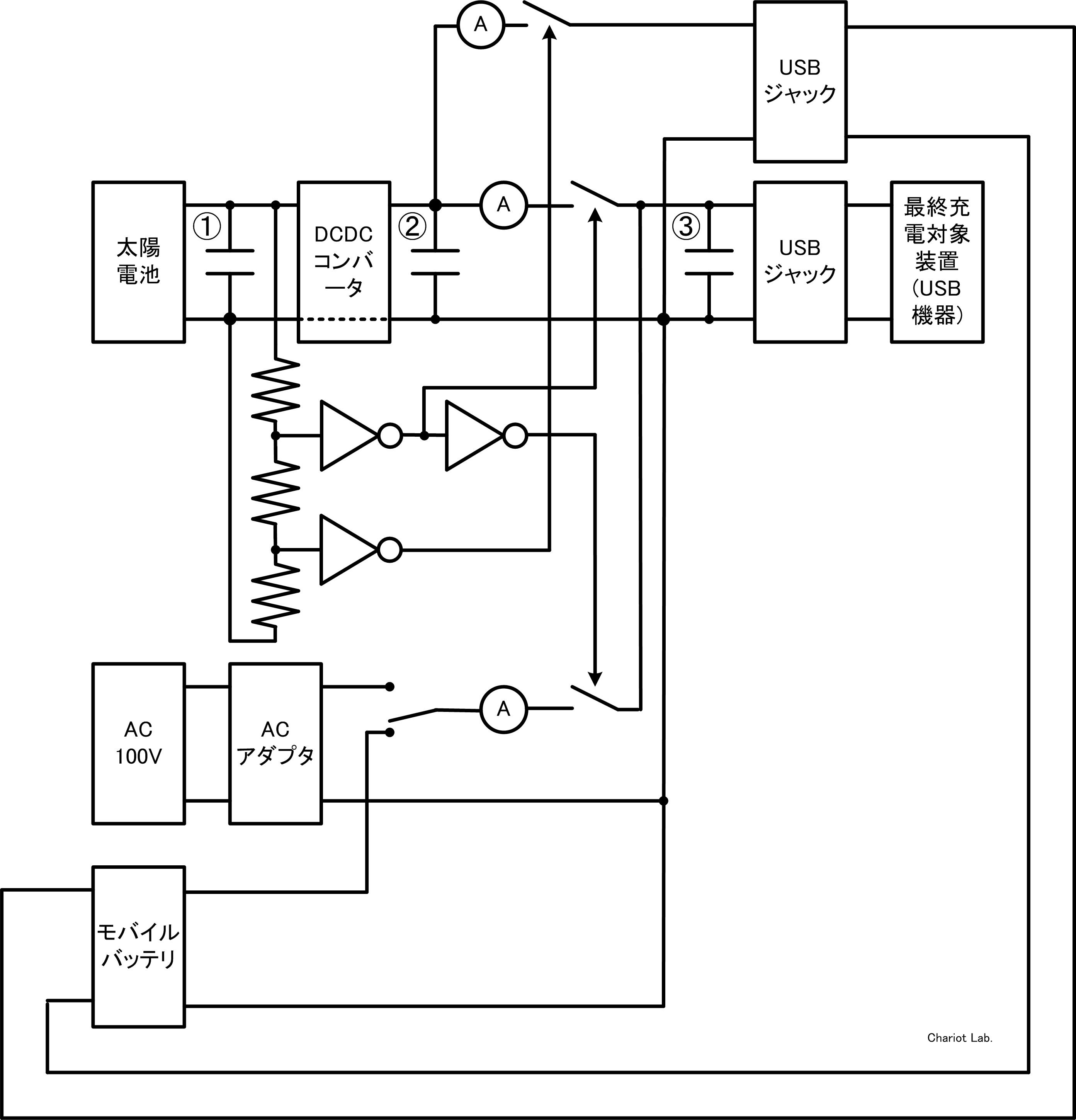
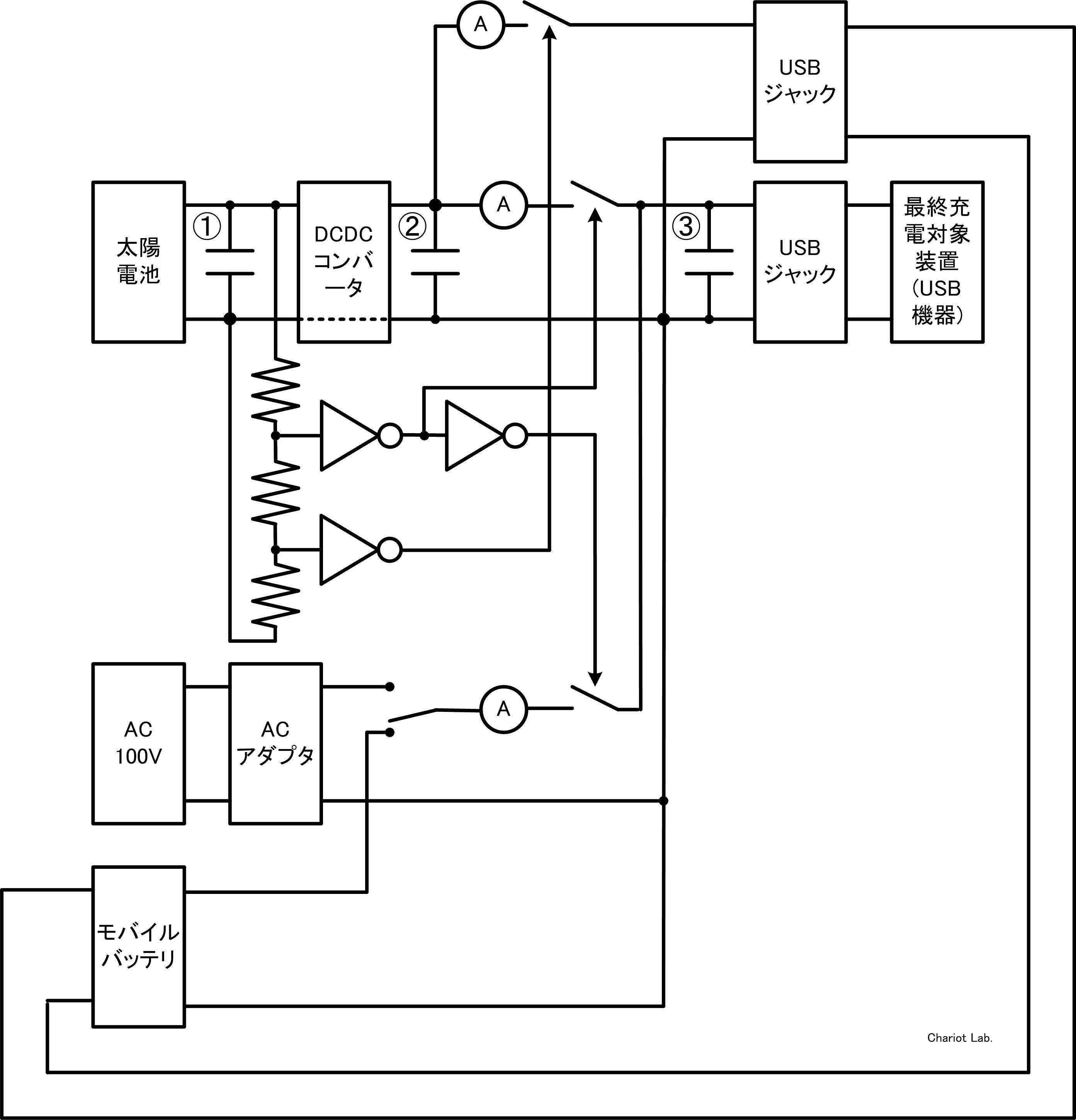
今回は、Chariot SAMBAにおける協調充電について書きます。
プロジェクトページにも技術的説明として協調充電について書きましたが、Chariot SAMBAにおける3段階判定については触れていませんでした。
プロジェクトページでは、いきなりChariot SAMBAにおける3段階判定について書くと難しいかと思ったのであえて一般的な協調充電についてのみ書きました。
この活動報告では、Chariot SAMBAにおける3段階判定について書きます。
Chariot SAMBAでは、抵抗分割により太陽電池からの入力電圧を3段階に判定します。
1.14.5V未満
2.14.5V~16.5V
3.16.5V以上
1.太陽電池からの入力電圧が14.5V未満 のときは、モバイルバッテリーから最終充電対象装置の系統をオンし、太陽電池から最終充電対象装置の系統をオフし、太陽電池からモバイルバッテリーの系統をオフします。
2.太陽電池からの入力電圧が14.5V~16.5V のときは、モバイルバッテリーから最終充電対象装置の系統をオフし、太陽電池から最終充電対象装置の系統をオンし、太陽電池からモバイルバッテリーの系統をオフします。
3.太陽電池からの入力電圧が16.5V以上 のときは、モバイルバッテリーから最終充電対象装置の系統をオフし、太陽電池から最終充電対象装置の系統をオンし、太陽電池からモバイルバッテリーの系統をオンします。
太陽電池からの電力がある強さの時には、1の状態になったら電力が余り、その結果2の状態になり、2の状態になったら電力が足りなくなり、その結果1の状態になります。 このフィードバックにより、太陽電池からの入力電圧が14.5V付近になり、太陽電池から最終充電対象装置の系統を流れる電流が第1のある値で釣り合います。 第1のある値は、太陽電池の発電量によって変わってきます。
太陽電池からの電力がより強いある強さの時には、2の状態になったら電力が余り、その結果3の状態になり、3の状態になったら電力が足りなくなり、その結果2の状態になります。 このフィードバックにより、太陽電池からの入力電圧が16.5V付近になり、太陽電池からモバイルバッテリーの系統を流れる電流が第2のある値で釣りあります。 第2のある値は、太陽電池の発電量によって変わってきます。
この3段階の判定により、このような電力のやり取りとなり、太陽電池からの発電電力が弱い場合、太陽電池とモバイルバッテリーが協調して最終充電対象装置に充電する協調充電となり、太陽電池からの発電電力が強い場合、最終充電対象装置をフルパワーで充電し、さらに余った電力をモバイルバッテリーに充電します。
いかがでしたか?
この活動報告が、Chariot SAMBAのコアとなる技術になります。
次の活動報告では、これらの3段階の判定ごとのモードについて説明します。
また明日お会いしましょう。




