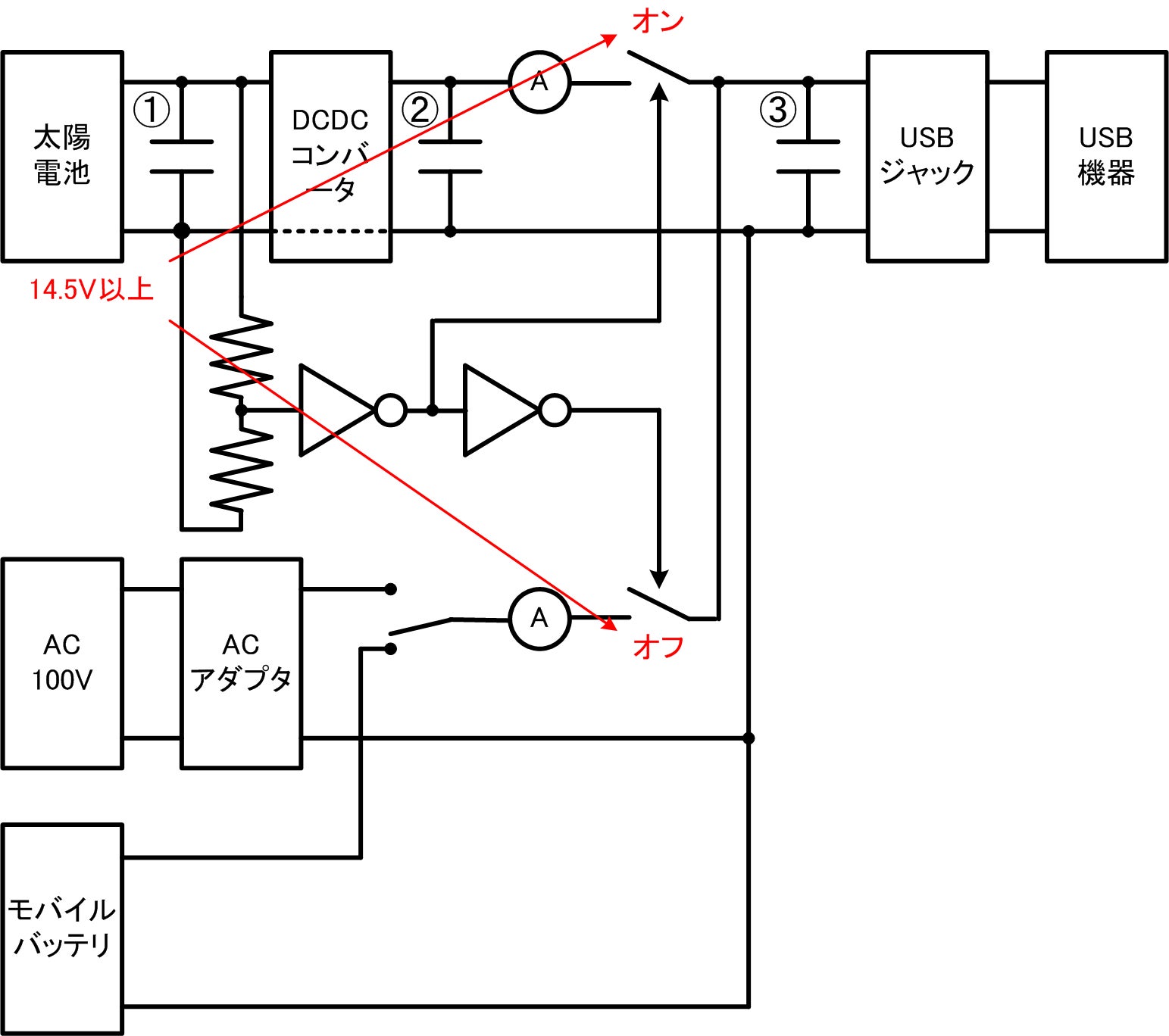
今回は、「逆電流防止ダイオードを不要にする技術」です。 通常、独立電源システムでは、夜間にバッテリーから太陽電池を通じて電流が逆流しないようにする逆電流防止ダイオードが必要です。 「12Vバッテリーレスシステム」では、太陽電池が1枚なら逆電流防止ダイオードが不要です。 そのため、電圧が0.4V~1Vほどお得に利用できます。 その技術について説明します。 夜間、太陽電池は発電しません。 そのため、太陽電池からの入力は0Vとなります。 その際太陽電池の系統のスイッチはオフになります。 ここで、太陽電池の系統のスイッチは、ソースを逆にして直列接続した2つのMOSFETとします。 そうすることにより、オフの時、右から左への電流カットし、夜間の逆電流を防止してくれます。 電圧が0.4V~1Vほどお得に利用できるので、システム全体での電力効率が向上します。 注意点として、太陽電池2枚以上を並列接続した場合は、ある太陽電池の発電電流が他の太陽電池を経由して逆流するのを防ぐため、逆電流防止ダイオードが必要です。 いかがでしたでしょうか。 今回まで3回で、「12Vバッテリーレスシステム」のコア技術を説明しました。 リターンで送付する技術資料には、全体の詳細回路図を載せますので支援された方は楽しみに待っていてください。 技術資料を読んでもわからないことは、当方宛にご質問ください。 ご支援、お気に入り登録、よろしくお願いします。 プロジェクト期間中はもちろんプロジェクト終了後も情報発信する予定なので、予算の都合で支援が難しい方はお気に入り登録だけでもお願いします。




